LEMON Manuals: Even more car manuals for everyone: 1960-2025
Home >> Subaru >> 2010 >> Outback F4-2.5L SOHC >> Repair and Diagnosis >> Powertrain Management >> Transmission Control Systems >> Diagrams >> Electrical Diagrams >> 5AT Control System >> System Overview Schematic
April 5, 2026: LEMON Manuals is launched! Read the announcement.

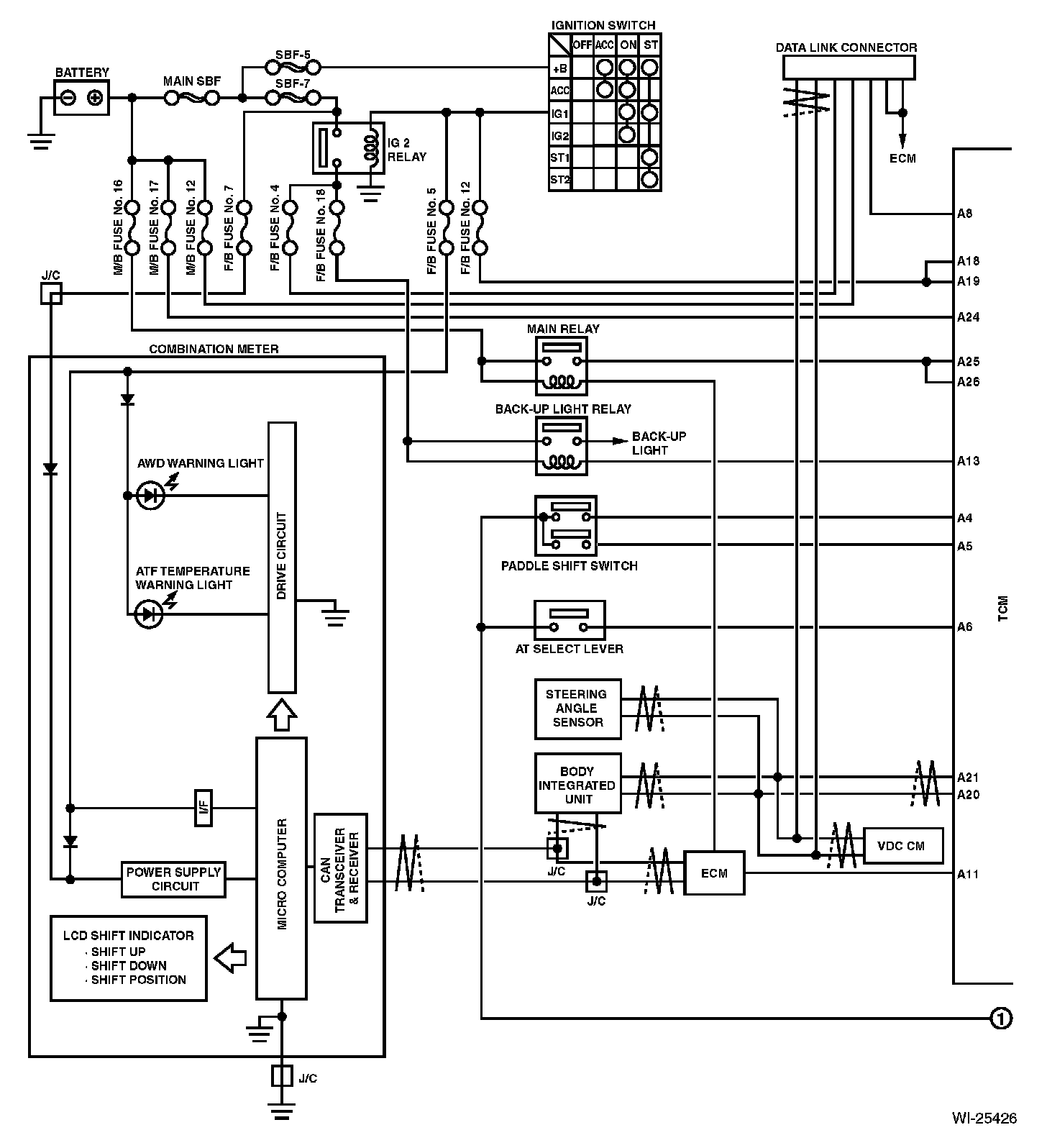
System Overview Schematic

System Overview Schematic (Part 1):



System Overview Schematic (Part 2):