LEMON Manuals: Even more car manuals for everyone: 1960-2025
Home >> Subaru >> 2012 >> Forester F4-2.5L DOHC Turbo >> Repair and Diagnosis >> Powertrain Management >> Computers and Control Systems >> Relays and Modules - Computers and Control Systems >> Engine Control Module >> Testing and Inspection >> Pinout Values and Diagnostic Parameters
April 5, 2026: LEMON Manuals is launched! Read the announcement.

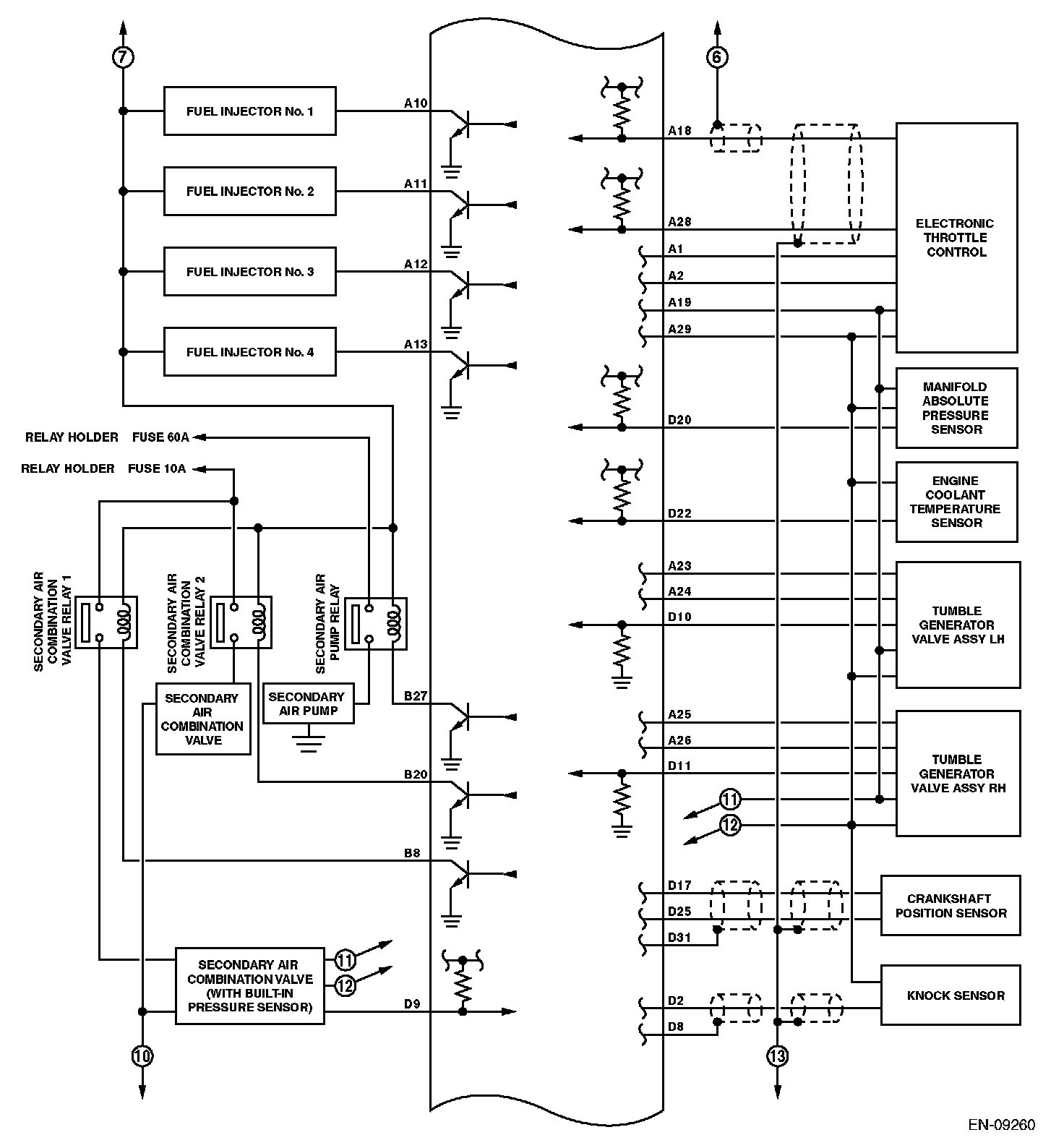
Pinout Values and Diagnostic Parameters

ENGINE CONTROL MODULE (ECM) I/O SIGNAL

ELECTRICAL SPECIFICATION


















Input/output name:
- Crankshaft position sensor
- Intake camshaft position sensor RH
- Intake camshaft position sensor LH

Measuring condition:
- After warming-up
- At idling