LEMON Manuals: Even more car manuals for everyone: 1960-2025
Home >> Subaru >> 2012 >> Forester X, Automatic Trans >> Repair and Diagnosis (Single Page) >> Engine Performance >> System >> Engine Controls (Diagnostics) (H4DO) >> Diagnostic Procedure with Diagnostic Trouble Code (DTC) >> DTC P0139 O2 Sensor Circuit Slow Response (Bank 1 Sensor 2) >> Wiring Diagram
April 5, 2026: LEMON Manuals is launched! Read the announcement.

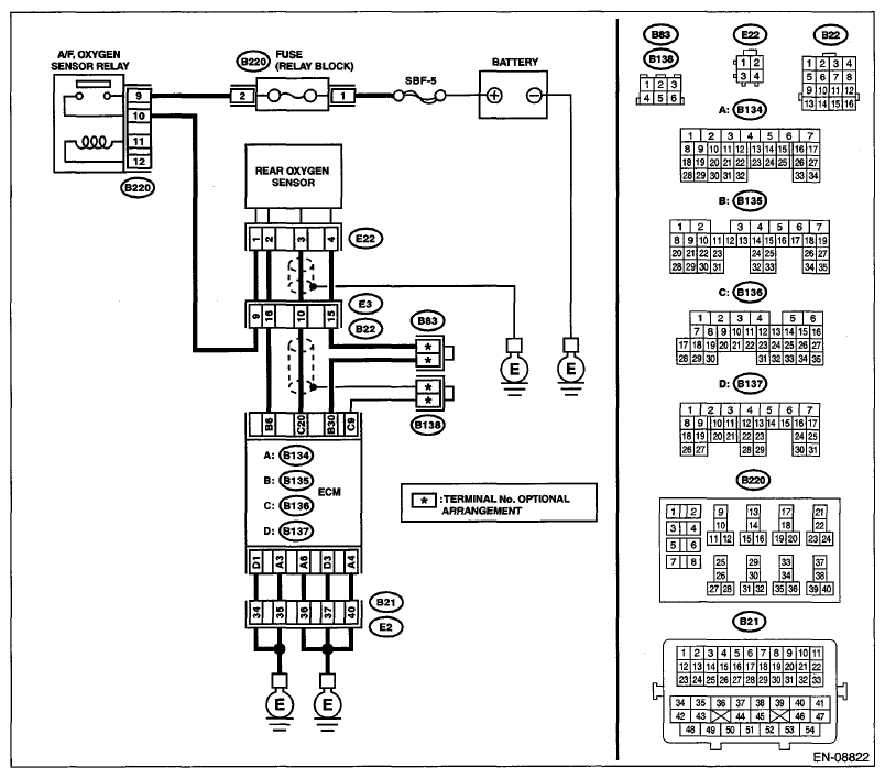
DTC P0139 O2 Sensor Circuit Slow Response (Bank 1 Sensor 2): Wiring Diagram

Fig 1: O2 Sensor Circuit Slow Response - Wiring Diagram (Bank 1 Sensor 2)
G07670266Courtesy of SUBARU OF AMERICA, INC.
DIAGNOSIS PROCEDURE

Step Check Yes No
1 CHECK HARNESS BETWEEN ECM AND REAR OXYGEN SENSOR CONNECTOR. 
  1. Turn the ignition switch to OFF.
  2. Disconnect the connector from ECM and rear oxygen sensor.
  3. Measure the resistance of harness between ECM and rear oxygen sensor connector.

    Connector & terminal 

    (B136) No. 20 - (E22) No. 3: 

Is the resistance less than 1 Ω? Go to step 2.  Repair the harness and connector.
NOTE: In this case, repair the following item:
  • Open circuit in harness between ECM and rear oxygen sensor connector
  • Poor contact of coupling connector
2 CHECK HARNESS BETWEEN ECM AND REAR OXYGEN SENSOR CONNECTOR. 
Measure the resistance between rear oxygen sensor connector and chassis ground.
Connector & terminal 
(E22) No. 3 - Chassis ground: 
Is the resistance 1 MΩ or more? Go to step 3.  Repair the ground short circuit of harness between ECM and rear oxygen sensor connector.
3 CHECK REAR OXYGEN SENSOR. 
Measure the resistance between rear oxygen sensor terminals.
Terminals 
No. 3 - No. 4 
Is the resistance less than 1 Ω? Replace the rear oxygen sensor. < refer to REAR OXYGEN SENSOR . > Even if DTC is detected, the circuit has returned to a normal condition at this time. Reproduce the failure, and then perform the diagnosis again.
NOTE: In this case, temporary poor contact of connector, temporary open or short circuit of harness may be the cause.