LEMON Manuals: Even more car manuals for everyone: 1960-2025
Home >> Subaru >> 2012 >> Outback R >> Repair and Diagnosis >> Engine Performance >> System >> Diagnostic Trouble Code (DTC) Detecting Criteria (H6DO) >> Diagnostic Trouble Code (DTC) Detecting Criteria >> DTC P2103 Throttle Actuator Control Motor Circuit High >> Component Description
April 5, 2026: LEMON Manuals is launched! Read the announcement.

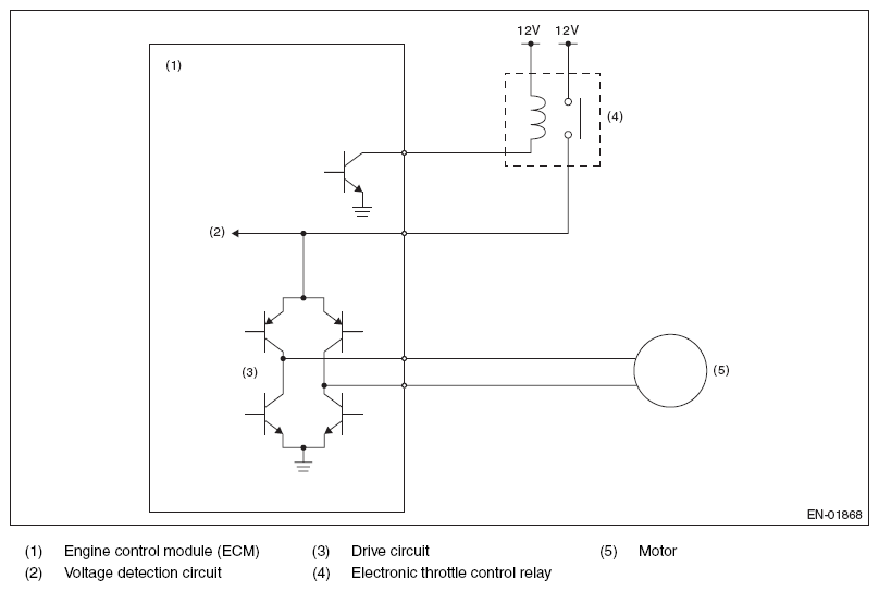
Component Description

Fig 1: Throttle Actuator Control Motor Circuit Diagram (High)
G07913061Courtesy of SUBARU OF AMERICA, INC.