LEMON Manuals: Even more car manuals for everyone: 1960-2025
Home >> Subaru >> 2013 >> Forester X Limited >> Repair and Diagnosis >> Engine Performance >> System >> Engine Controls (Diagnostics) (H4DO) >> Diagnostic Procedure with Diagnostic Trouble Code (DTC) >> DTC P0140 O2 Sensor Circuit No Activity Detected (Bank1 Sensor2) >> Wiring Diagram
April 5, 2026: LEMON Manuals is launched! Read the announcement.

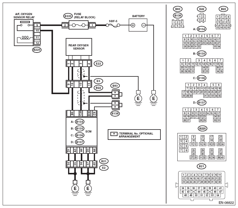
DTC P0140 O2 Sensor Circuit No Activity Detected (Bank1 Sensor2): Wiring Diagram

Engine electrical system, non-turbo model < Refer to appropriate SYSTEM WIRING DIAGRAM.>

Fig 1: O2 Sensor Circuit No Activity Detected - Wiring Diagram (Bank 1 Sensor 2)
G08570428Courtesy of SUBARU OF AMERICA, INC.
Step Check Yes No
1 CHECK REAR OXYGEN SENSOR DATA. 
  1. Warm up the engine until engine coolant temperature is higher than 75°C (167°F), and keep the engine speed at 3, 000 rpm. (2 minutes maximum)
  2. Read the value of «Rear O2 Sensor» using the Subaru Select Monitor or a general scan tool.
NOTE:
  • Subaru Select Monitor

    For detailed operation procedures, refer to "READ CURRENT DATA FOR ENGINE". < Refer to SUBARU SELECT MONITOR . >

  • General scan tool

    For detailed operation procedures, refer to the general scan tool operation manual.

Is the value of «Rear O2 Sensor » 0.490 V or more? Go to step . Go to step .
2 CHECK REAR OXYGEN SENSOR DATA. 
  1. Warm up the engine until engine coolant temperature is higher than 75°C (167°F), and rapidly reduce the engine speed from 3, 000 rpm.
  2. Read the value of «Rear O2 Sensor» using the Subaru Select Monitor or a general scan tool.
NOTE:
  • Subaru Select Monitor

    For detailed operation procedures, refer to "READ CURRENT DATA FOR ENGINE". < Refer to SUBARU SELECT MONITOR . >

  • General scan tool

    For detailed operation procedures, refer to the general scan tool operation manual.

Is the value of «Rear O2 Sensor » 0.250 V or less? Go to step . Go to step .
3 CHECK REAR OXYGEN SENSOR CONNECTOR AND COUPLING CONNECTOR.  Has water entered the connector? Completely remove any water inside. Go to step .
4 CHECK HARNESS BETWEEN ECM AND REAR OXYGEN SENSOR CONNECTOR. 
  1. Turn the ignition switch to OFF.
  2. Disconnect the connector from ECM and rear oxygen sensor.
  3. Measure the resistance of harness between ECM and rear oxygen sensor connector.

    Connector & terminal 

    (B136) No. 20 - (E22) No. 3: 

    (B135) No. 30 - (E22) No. 4: 

Is the resistance less than 1 Ω? Go to step . Repair the harness and connector.
NOTE: In this case, repair the following item:
  • Open circuit in harness between ECM and rear oxygen sensor connector
  • Poor contact of coupling connector
5 CHECK HARNESS BETWEEN ECM AND REAR OXYGEN SENSOR CONNECTOR. 
  1. Connect the connector to ECM.
  2. Turn the ignition switch to ON.
  3. Measure the voltage between rear oxygen sensor connector and chassis ground.

    Connector & terminal 

    (E22) No. 3 (+) - Chassis ground (-): 

Is the voltage 0.2 - 0.5 V? Replace the rear oxygen sensor. < Refer to REAR OXYGEN SENSOR . > Repair the harness and connector.
NOTE: In this case, repair the following item:
  • Open circuit in harness between ECM and rear oxygen sensor connector
  • Poor contact of coupling connector
  • Poor contact of ECM connector
6 CHECK EXHAUST SYSTEM. 
Check exhaust system parts.
NOTE: Check the following items.
  • Looseness and improper fitting of exhaust system parts
  • Damage (crack, hole etc.) of parts
  • Loose part and improper installation between front oxygen (A/F) sensor and rear oxygen sensor
Is there any fault in exhaust system? Repair or replace faulty parts. Replace the rear oxygen sensor. < Refer to REAR OXYGEN SENSOR . >