LEMON Manuals: Even more car manuals for everyone: 1960-2025
Home >> Subaru >> 2013 >> Forester X, Standard Trans >> Repair and Diagnosis (Single Page) >> Brakes >> Traction Control >> Vehicle Dynamics Control (VDC) System (Diagnostics) >> Control Module I/O Signal >> Wiring Diagram
April 5, 2026: LEMON Manuals is launched! Read the announcement.

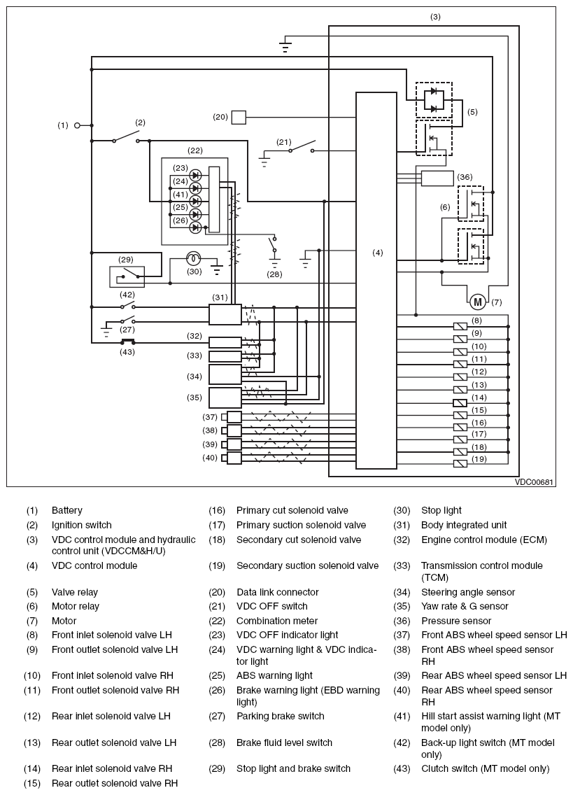
Control Module I/O Signal: Wiring Diagram

Fig 1: Control Module I/O Signal - Wiring Diagram
G08565590Courtesy of SUBARU OF AMERICA, INC.