LEMON Manuals: Even more car manuals for everyone: 1960-2025
Home >> Subaru >> 2013 >> Legacy Base, Automatic CVT Trans >> Repair and Diagnosis (Single Page) >> Engine Performance >> Testing & Diagnosis >> Diagnostic Trouble Code (DTC) Detecting Criteria (H4DO) >> Diagnostic Trouble Code (DTC) Detecting Criteria >> DTC P0606 Control Module Processor >> Component Description
April 5, 2026: LEMON Manuals is launched! Read the announcement.

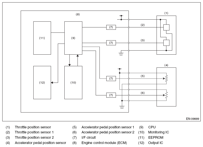
Component Description

Fig 1: Control Module Processor - Circuit Diagram
G08580837Courtesy of SUBARU OF AMERICA, INC.