LEMON Manuals: Even more car manuals for everyone: 1960-2025
Home >> Subaru >> 2013 >> Outback F6-3.6L DOHC >> Repair and Diagnosis >> Diagrams >> Electrical Diagrams >> Starting System >> Keyless Starting System >> Push Button Start System
April 5, 2026: LEMON Manuals is launched! Read the announcement.

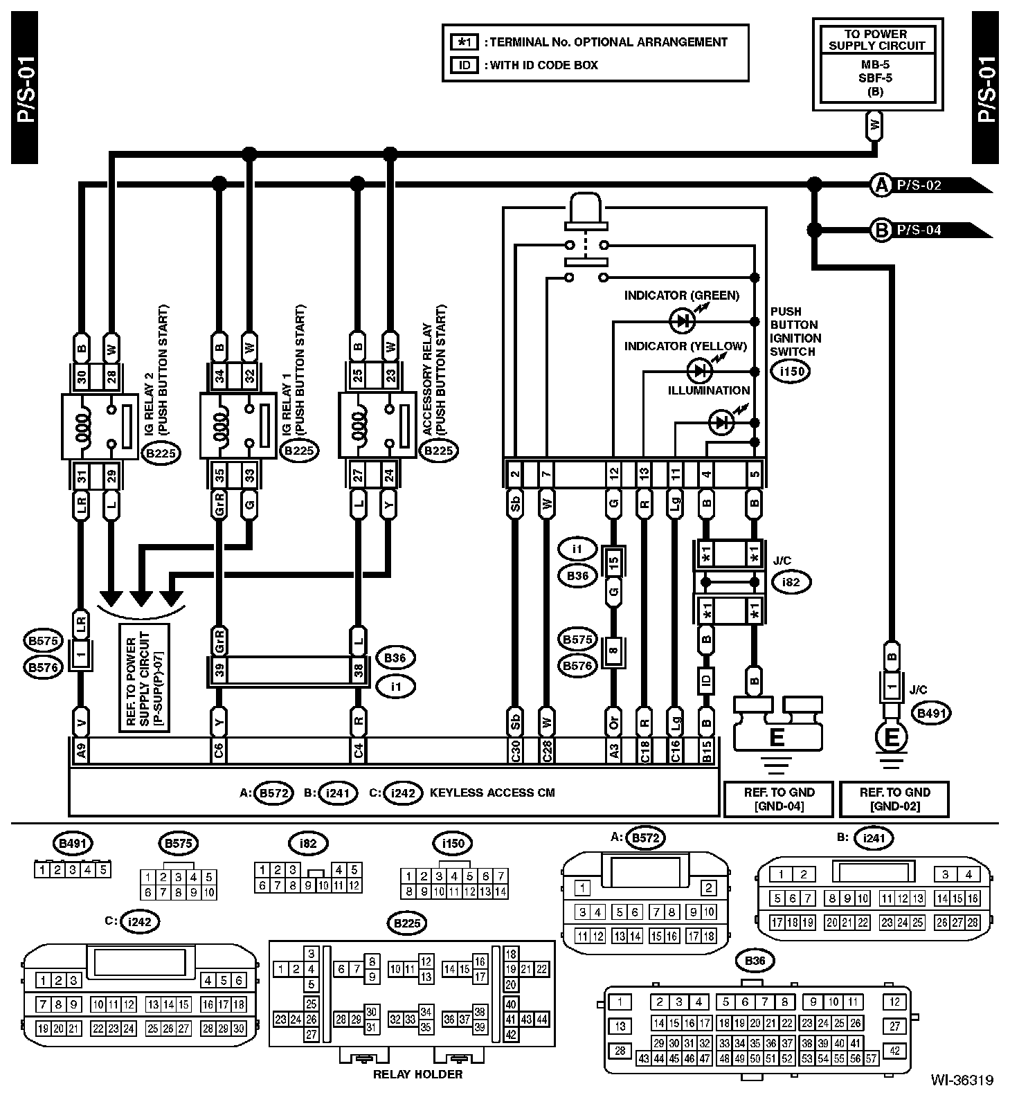
Push Button Start System

PUSH BUTTON START SYSTEM

WIRING DIAGRAM
















Connector and Ground Locations: The locations of the Connectors or Grounds shown within these diagrams can be found via the connector or ground number at Vehicle Locations. Locations