LEMON Manuals: Even more car manuals for everyone: 1960-2025
Home >> Subaru >> 2014 >> BRZ Limited, Automatic Trans >> Repair and Diagnosis >> Engine Performance >> System >> Engine Control System (Diagnostics) (1 Of 4) >> DTC P0107 Manifold Absolute Pressure/Barometric Pressure Circuit Low Input; DTC P0108 Manifold Absolute Pressure/Barometric Pressure Circuit High Input >> Circuit Figure
April 5, 2026: LEMON Manuals is launched! Read the announcement.

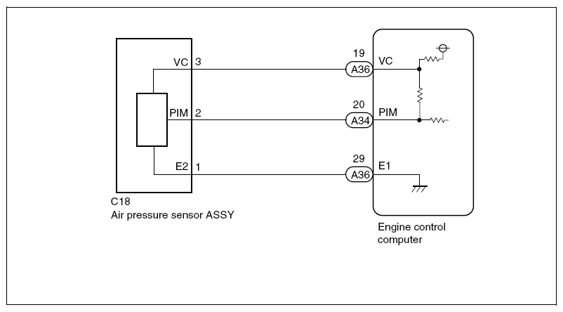
Circuit Figure

Fig 1: Intake Air Flow Meter sub-assembly - Circuit Diagram
G08553722Courtesy of SUBARU OF AMERICA, INC.