LEMON Manuals: Even more car manuals for everyone: 1960-2025
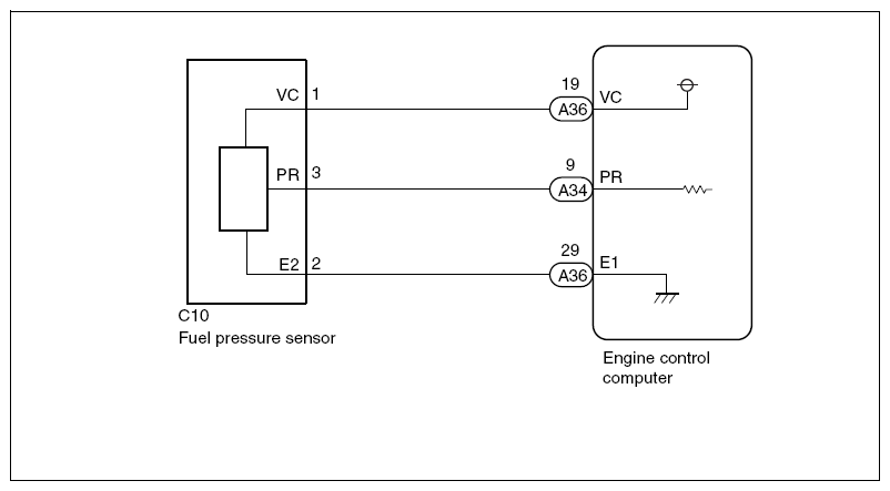
Home >> Subaru >> 2014 >> BRZ Premium >> Repair and Diagnosis >> Engine Performance >> System >> Engine Control System (Diagnostics) (2 Of 4) >> DTC P0191 [Fuel Rail Pressure Sensor "A" Circuit Range/Performance]; DTC P0192 Fuel Rail Pressure Sensor Circuit Low Input; DTC P0193 Fuel Rail Pressure Sensor Circuit High Input >> Circuit figure
April 5, 2026: LEMON Manuals is launched! Read the announcement.

Circuit figure

Fig 1: Fuel Rail Pressure Sensor - Circuit Diagram
G08553758Courtesy of SUBARU OF AMERICA, INC.