LEMON Manuals: Even more car manuals for everyone: 1960-2025
Home >> Subaru >> 2014 >> Outback 3.6R Limited >> Repair and Diagnosis (Single Page) >> Engine Performance >> System >> Diagnostic Trouble Code (DTC) Detecting Criteria (H6DO) >> Diagnostic Trouble Code (DTC) Detecting Criteria >> DTC P0606 Control Module Processor >> Component Description
April 5, 2026: LEMON Manuals is launched! Read the announcement.

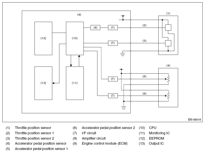
Component Description

Fig 1: Control Module Processor - System Diagram
G08581807Courtesy of SUBARU OF AMERICA, INC.