LEMON Manuals: Even more car manuals for everyone: 1960-2025
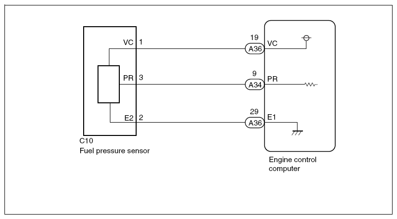
Home >> Subaru >> 2015 >> BRZ Limited, Standard Trans >> Repair and Diagnosis >> Engine Performance >> System >> Engine Control System Diagnostics (2 Of 3) >> DTC P0191 Fuel Rail Pressure Sensor "A" Circuit Range/Performance; DTC P0192 Fuel Rail Pressure Sensor Circuit Low Input; DTC P0193 Fuel Rail Pressure Sensor Circuit High Input >> Circuit figure
April 5, 2026: LEMON Manuals is launched! Read the announcement.

Circuit figure

Fig 1: Fuel Pressure Sensor Circuit Diagram
G10212821Courtesy of SUBARU OF AMERICA, INC.