LEMON Manuals: Even more car manuals for everyone: 1960-2025
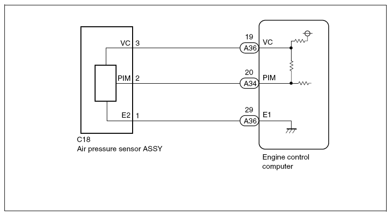
Home >> Subaru >> 2015 >> BRZ Series.Blue, Standard Trans >> Repair and Diagnosis >> Engine Performance >> System >> Engine Control System Diagnostics (1 Of 3) >> DTC P0107 Manifold Absolute Pressure/Barometric Pressure Circuit Low Input; DTC P0108 Manifold Absolute Pressure/Barometric Pressure Circuit High Input >> Circuit figure
April 5, 2026: LEMON Manuals is launched! Read the announcement.

Circuit figure

Fig 1: Intake Manifold Absolute Pressure Sensor Circuit Diagram
G10212781Courtesy of SUBARU OF AMERICA, INC.