LEMON Manuals: Even more car manuals for everyone: 1960-2025
Home >> Subaru >> 2015 >> Forester 2.0XT Touring >> Repair and Diagnosis >> Engine Performance >> System >> Engine Control System (Diagnostics) (H4DOTC) >> Diagnostic Procedure with Diagnostic Trouble Code (DTC) >> DTC P0134: O2 Sensor Circuit No Activity Detected (Bank 1 Sensor 1) >> Wiring Diagram
April 5, 2026: LEMON Manuals is launched! Read the announcement.

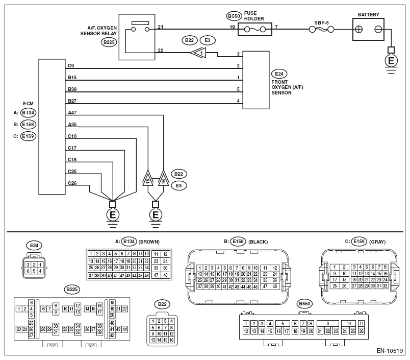
DTC P0134: O2 Sensor Circuit No Activity Detected (Bank 1 Sensor 1): Wiring Diagram

DTC PROCEDURE

Step Check Yes No
1 CHECK HARNESS BETWEEN ECM AND FRONT OXYGEN (A/F) SENSOR CONNECTOR. 
  1. Turn the ignition switch to OFF.
  2. Disconnect the connectors from ECM and front oxygen (A/F) sensor connector.
  3. Measure the resistance of harness between ECM and front oxygen (A/F) sensor connector.

    Connector & terminal 

    (E158) No. 15 - (E24) No. 1: 

    (E158) No. 27 - (E24) No. 4: 

    (E158) No. 39 - (E24) No. 5: 

Is the resistance less than 1 Ω? Go to step . Repair the open circuit of harness between ECM and front oxygen (A/F) sensor connector.
2 CHECK FOR POOR CONTACT. 
Check for poor contact of ECM and front oxygen (A/F) sensor connector.
Is there poor contact of ECM or front oxygen (A/F) sensor connector? Repair the poor contact of ECM or front oxygen (A/F) sensor connector. Replace the front oxygen (A/F) sensor. < Ref. to FRONT OXYGEN (A/F) SENSOR . >