LEMON Manuals: Even more car manuals for everyone: 1960-2025
Home >> Subaru >> 2016 >> Outback 3.6R Limited >> Repair and Diagnosis (Single Page) >> Engine Performance >> System >> Engine Controls (H6DO) (Diagnostics) (4 Of 5) >> Diagnostic Procedure With Diagnostic Trouble Code (DTC) >> DTC P060A Internal Control Module Monitoring Processor Performance >> Component Description
April 5, 2026: LEMON Manuals is launched! Read the announcement.

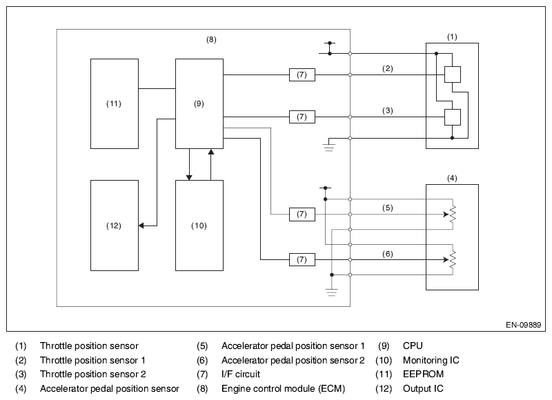
Component Description

Fig 1: Throttle Position Sensor - Circuit Diagram
G10312545Courtesy of SUBARU OF AMERICA, INC.