LEMON Manuals: Even more car manuals for everyone: 1960-2025
Home >> Subaru >> 2016 >> WRX Limited, Standard Trans >> Repair and Diagnosis (Single Page) >> Accessories & Equipment >> Anti-Theft Systems >> Security And Locks - Keyless Access (W-Push Button Start) (Diagnostics) >> Diagnostic Procedure with Diagnostic Trouble Code (DTC) >> DTC B2786 STEERING LOCK CM (Control Module) COMMUNICATION >> Wiring Diagram
April 5, 2026: LEMON Manuals is launched! Read the announcement.

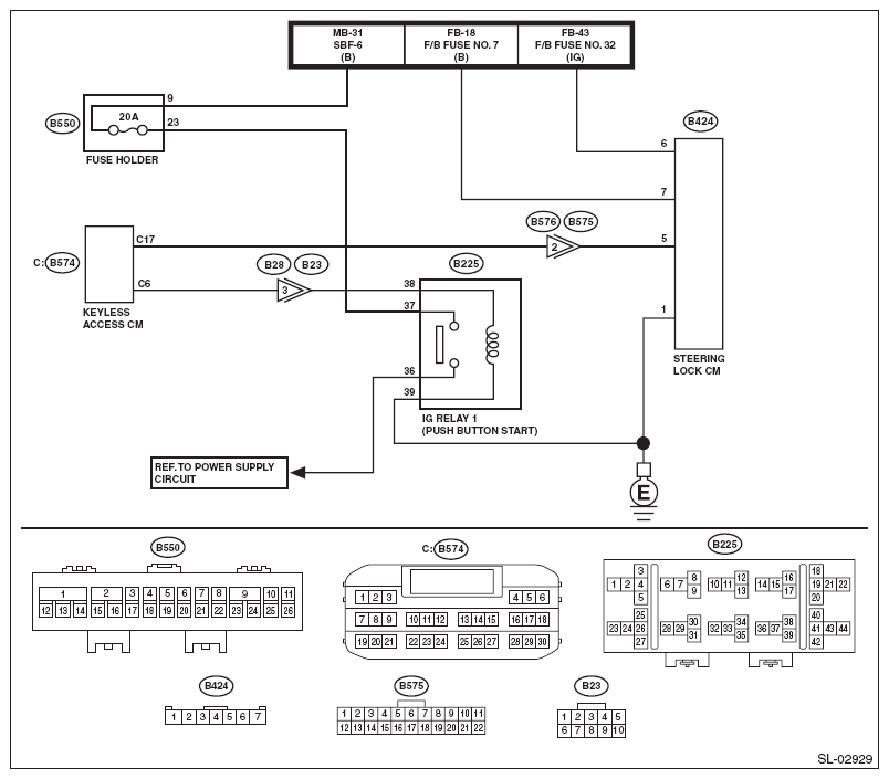
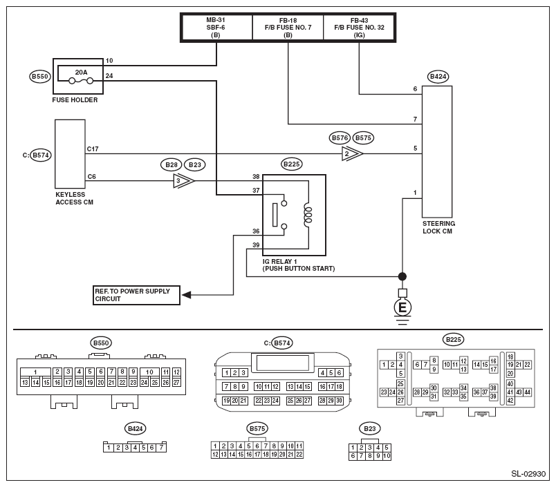
DTC B2786 STEERING LOCK CM (Control Module) COMMUNICATION: Wiring Diagram

Push button start system wiring diagram. Refer to appropriate SYSTEM WIRING DIAGRAMS article.

DIAGNOSTIC PROCEDURE

Step Check Yes No
1 CHECK DTC. 
Use the Subaru Select Monitor and read DTCs. < Ref. to READ DIAGNOSTIC TROUBLE CODE (DTC) . >
Is a DTC other than B2786 displayed? Perform the diagnosis according to DTC. Go to step 2. 
2 CHECK HARNESS. 
  1. Disconnect the keyless access CM (Control Module) connector.
  2. Disconnect the steering lock CM (Control Module) connector.
  3. Using the tester, measure the resistance between terminals.

    Connector & terminal 

    (B574) No. 17 - (B424) No. 5: 

Is the resistance less than 1 Ω? Go to step 3.  Repair or replace the open circuit of harness.
3 CHECK HARNESS. 
Using the tester, measure the resistance between terminals.
Connector & terminal 
(B424) No. 5 - Chassis ground: 
(B574) No. 17 - Chassis ground: 
Is the resistance 10 kΩ or more? Go to step 4.  Repair or replace the short circuit of the harness.
4 CHECK HARNESS. 
Using a tester, measure the resistance between the steering lock CM (Control Module) connector and chassis ground.
Connector & terminal 
(B424) No. 1 - Chassis ground: 
Is the resistance less than 1 Ω? Go to step 5.  Repair or replace the open circuit of harness.
5 CHECK HARNESS. 
  1. Turn the ignition switch to ON.
  2. Using a tester, measure the voltage between the steering lock CM (Control Module) connector and chassis ground.

    Connector & terminal 

    (B424) No. 6 (+) - Chassis ground (-): 

    (B424) No. 7 (+) - Chassis ground (-): 

Is the voltage 11 - 14 V? Go to step 6.  Repair or replace the open circuit of harness.
6 CHECK STEERING LOCK CM (Control Module). 
  1. Turn the ignition switch to ON.
  2. Replace the steering lock CM (Control Module). < Ref. to STEERING LOCK CM (Control Module) . >
  3. Using the Subaru Select Monitor, clear the memory. < Ref. to CLEAR MEMORY MODE . >
  4. Use the Subaru Select Monitor and read DTCs. < Ref. to READ DIAGNOSTIC TROUBLE CODE (DTC) . >
Is B2786 displayed? Replace the keyless access CM (Control Module). < Ref. to KEYLESS ACCESS CM (Control Module) . > Malfunction occurred in the steering lock CM (Control Module).