LEMON Manuals: Even more car manuals for everyone: 1960-2025
Home >> Subaru >> 2016 >> WRX STI Series.HyperBlue >> Repair and Diagnosis (Single Page) >> Engine Performance >> Testing & Diagnosis >> Diagnostic Trouble Code (DTC) Detecting Criteria >> Diagnostic Trouble Code (DTC) Detecting Criteria >> DTC P062F Internal Control Module EEPROM Error >> Component Description
April 5, 2026: LEMON Manuals is launched! Read the announcement.

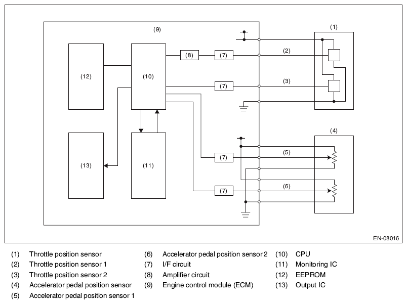
Component Description

Fig 1: Internal Control Module EEPROM Error Circuit Diagram
G10291043Courtesy of SUBARU OF AMERICA, INC.