LEMON Manuals: Even more car manuals for everyone: 1960-2025
Home >> Subaru >> 2017 >> Crosstrek Base >> Repair and Diagnosis (Single Page) >> Engine Performance >> System >> Engine Control System (Diagnostics) (P0171 To P0685) (H4DO) >> Diagnostic Procedure with Diagnostic Trouble Code (DTC) >> DTC P0452: EVAP System (CPC) Pressure Sensor/Switch Circuit Low >> Notes
April 5, 2026: LEMON Manuals is launched! Read the announcement.

DTC P0452: EVAP System (CPC) Pressure Sensor/Switch Circuit Low: Notes

DTC detecting condition: 

Immediately at fault recognition

CAUTION: After servicing or replacing faulty parts, perform Clear Memory Mode Ref. to OPERATION , Clear Memory Mode., and Inspection Mode Ref. to PROCEDURE , Inspection Mode..

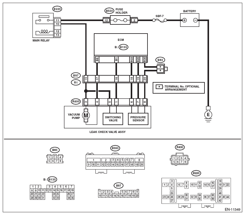
Wiring diagram: 

Engine electrical system Ref. to Engine Electrical System .

Fig 1: EVAP System (CPC) Pressure Sensor/Switch Circuit Low Wiring Diagram
G10320382Courtesy of SUBARU OF AMERICA, INC.
Step Check Yes No
1 CHECK CURRENT DATA. 
  1. Turn the ignition switch to ON.
  2. Read the value of «Atmosphere Pressure» using the Subaru Select Monitor or a general scan tool.
NOTE:
  • Subaru Select Monitor For detailed operation procedures, refer to "Current Data Display For Engine". Ref. to Subaru Select Monitor .
  • General scan tool For detailed operation procedures, refer to the general scan tool operation manual.
Is the value in «Atmosphere Pressure» 34 kPa (255 mmHg, 10 inHg) or less? Go to step . Even if DTC is detected, the circuit has returned to a normal condition at this time. Reproduce the failure, and then perform the diagnosis again.
NOTE: In this case, temporary poor contact of connector, temporary open or short circuit of harness may be the cause.
2 CHECK POWER SUPPLY OF LEAK CHECK VALVE ASSEMBLY. 
  1. Turn the ignition switch to OFF.
  2. Disconnect the connector from the leak check valve assembly.
  3. Turn the ignition switch to ON.
  4. Measure the voltage between the leak check valve assembly connector and chassis ground.

Connector & terminal 
(R400) No. 6 (+) - Chassis ground (-): 
Is the voltage 4.5 V or more? Go to step . Repair the harness and connector.
NOTE: In this case, repair the following item:
  • Open circuit in harness between ECM connector and the leak check valve assembly connector
  • Poor contact of ECM connector
  • Poor contact of coupling connector
3 CHECK HARNESS BETWEEN ECM AND LEAK CHECK VALVE ASSEMBLY CONNECTOR. 
  1. Turn the ignition switch to OFF.
  2. Disconnect the connector from ECM.
  3. Measure the resistance between ECM connector and chassis ground.

Connector & terminal 
(B135) No. 20 - Chassis ground: 
Is the resistance 1 MΩ or more? Go to step . Repair the short circuit to ground in harness between ECM connector and leak check valve assembly connector.
4 CHECK FOR POOR CONTACT. 
Check for poor contact of leak check valve assembly connector.
Is there poor contact in the leak check valve assembly connector? Repair the poor contact in the leak check valve assembly connector. Replace the leak check valve assembly. Ref. to Leak Check Valve Assembly .