LEMON Manuals: Even more car manuals for everyone: 1960-2025
Home >> Subaru >> 2017 >> Crosstrek Base >> Repair and Diagnosis (Single Page) >> Engine Performance >> System >> Engine Control System (Diagnostics) (P0171 To P0685) (H4DO) >> Diagnostic Procedure with Diagnostic Trouble Code (DTC) >> DTC P050A: Cold Start Idle Control System Performance >> Notes
April 5, 2026: LEMON Manuals is launched! Read the announcement.

DTC P050A: Cold Start Idle Control System Performance: Notes

DTC detecting condition: 

Detected when two consecutive driving cycles with fault occur.

Trouble symptom: 

CAUTION: After servicing or replacing faulty parts, perform Clear Memory Mode Ref. to OPERATION , Clear Memory Mode., and Inspection Mode Ref. to PROCEDURE , Inspection Mode..

Wiring diagram: 

Engine electrical system Ref. to Engine Electrical System .

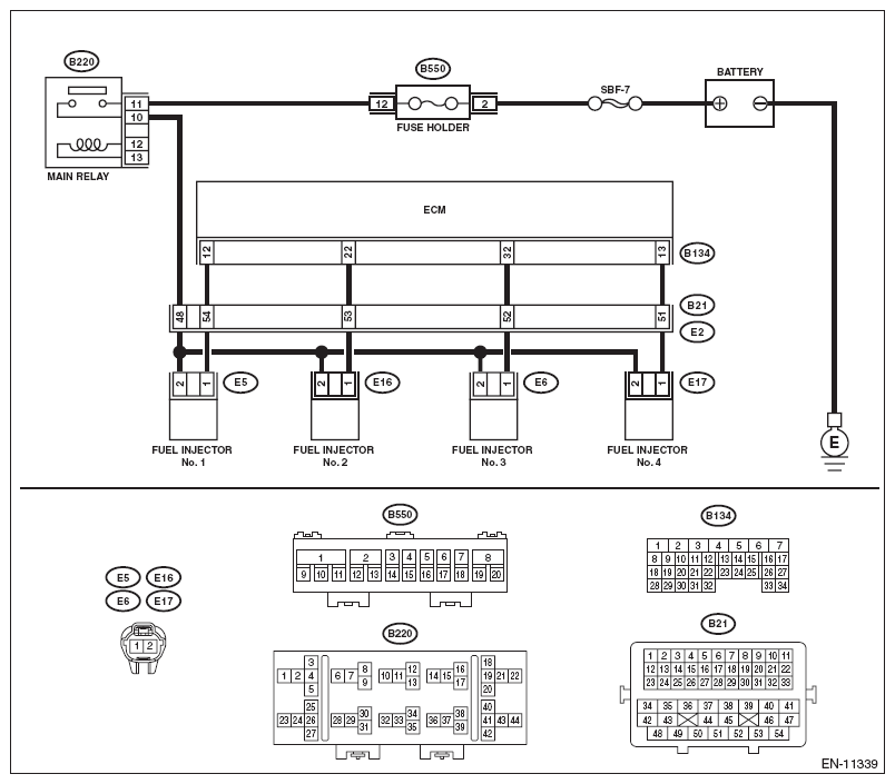
Fig 1: Cold Start Idle Control System Performance Wiring Diagram
G10320263Courtesy of SUBARU OF AMERICA, INC.
Fig 2: Cold Start Idle Control System Performance Wiring Diagram
G10320303Courtesy of SUBARU OF AMERICA, INC.
Step Check Yes No
1 CHECK FOR ANY OTHER DTC ON DISPLAY.  Is any other DTC displayed? Check the appropriate DTC using the "List of Diagnostic Trouble Code (DTC)". Ref. to List of Diagnostic Trouble Code (DTC) . Go to step .
2 CHECK ENGINE OIL.  Is there a proper amount of engine oil? Go to step . Replace engine oil. Ref. to REPLACEMENT , Engine Oil.
3 CHECK EXHAUST SYSTEM.  Are there holes or loose bolts on exhaust system? Repair the exhaust system. Go to step .
4 CHECK AIR INTAKE SYSTEM.  Are there holes, loose bolts or disconnection of hose on air intake system? Repair the air intake system. Go to step .
5 CHECK FUEL PRESSURE. 
WARNING: Place "NO OPEN FLAMES" signs near the working area.
CAUTION: Be careful not to spill fuel.

Measure the fuel pressure. Ref. to INSPECTION , Fuel Pressure.
CAUTION: Release fuel pressure before removing the fuel pressure gauge.
Is the measured value 340 - 400 kPa (3.5 - 4.1 kg/cm2 , 49 - 58 psi)? Go to step . Check the fuel pump and fuel delivery line. Ref. to INSPECTION , Fuel Pump. Ref. to INSPECTION , Fuel Delivery and Evaporation Lines.
6 CHECK ENGINE COOLANT TEMPERATURE SENSOR. 
  1. Start the engine and warm up completely.
  2. Read the value of «Coolant Temp.» using the Subaru Select Monitor or a general scan tool.
NOTE:
  • Subaru Select Monitor For detailed operation procedures, refer to "Current Data Display For Engine". Ref. to Subaru Select Monitor .
  • General scan tool For detailed operation procedures, refer to the general scan tool operation manual.
Is the value of «Coolant Temp.» 75°C (167°F) or more? Go to step . Replace the engine coolant temperature sensor. Ref. to Engine Coolant Temperature Sensor .
7 CHECK MASS AIR FLOW AND INTAKE AIR TEMPERATURE SENSOR. 
  1. Start the engine and warm up engine until coolant temperature is higher than 75°C (167°F).
  2. For CVT models, set the select lever to "P" range or "N" range, and for MT models, place the gear shift lever in the neutral position.
  3. Turn the A/C switch to OFF.
  4. Turn all the accessory switches to OFF.
  5. Read the value of «Mass Air Flow» using the Subaru Select Monitor or a general scan tool.
NOTE:
  • Subaru Select Monitor For detailed operation procedures, refer to "Current Data Display For Engine". Ref. to Subaru Select Monitor .
  • General scan tool For detailed operation procedures, refer to the general scan tool operation manual.
Is the value of «Mass Air Flow» 2.0 - 5.0 g/s (0.26 - 0.66 lb/m)? Go to step . Replace the mass air flow and intake air temperature sensor. Ref. to Mass Air Flow and Intake Air Temperature Sensor .
8 CHECK MASS AIR FLOW AND INTAKE AIR TEMPERATURE SENSOR. 
  1. Start the engine and warm up engine until coolant temperature is higher than 75°C (167°F).
  2. For CVT models, set the select lever to "P" range or "N" range, and for MT models, place the gear shift lever in the neutral position.
  3. Turn the A/C switch to OFF.
  4. Turn all the accessory switches to OFF.
  5. Open the front hood.
  6. Measure the ambient temperature.
  7. Read the value of «Intake Air Temp.» using the Subaru Select Monitor or a general scan tool.
NOTE:
  • Subaru Select Monitor For detailed operation procedures, refer to "Current Data Display For Engine". Ref. to Subaru Select Monitor .
  • General scan tool For detailed operation procedures, refer to the general scan tool operation manual.
Subtract ambient temperature from «Intake Air Temp.». Is the obtained value -10 - 50°C (-18 - 90°F)? Go to step . Check the mass air flow and intake air temperature sensor. Ref. to Mass Air Flow and Intake Air Temperature Sensor .
9 CHECK OUTPUT SIGNAL OF ECM. 
  1. Turn the ignition switch to ON.
  2. Measure the voltage between ECM and chassis ground on faulty cylinders.

Connector & terminal 
#1 (B134) No. 12 (+) - Chassis ground (-): 
#2 (B134) No. 22 (+) - Chassis ground (-): 
#3 (B134) No. 32 (+) - Chassis ground (-): 
#4 (B134) No. 13 (+) - Chassis ground (-): 
Is the voltage 10 V or more? Go to step 14.  Go to step 10  .
10 CHECK HARNESS BETWEEN ECM AND FUEL INJECTOR CONNECTOR. 
  1. Turn the ignition switch to OFF.
  2. Disconnect the connector from fuel injector on faulty cylinders.
  3. Measure the resistance between fuel injector connector and engine ground on faulty cylinders.

Connector & terminal 
#1 (E5) No. 1 - Engine ground: 
#2 (E16) No. 1 - Engine ground: 
#3 (E6) No. 1 - Engine ground: 
#4 (E17) No. 1 - Engine ground: 
Is the resistance 1 MΩ or more? Go to step 11.  Repair the short circuit to ground in harness between ECM connector and fuel injector connector.
11 CHECK HARNESS BETWEEN ECM AND FUEL INJECTOR CONNECTOR. 
Measure the resistance of harness between ECM and fuel injector connector on faulty cylinders.
Connector & terminal 
#1 (B134) No. 12 - (E5) No. 1: 
#2 (B134) No. 22 - (E16) No. 1: 
#3 (B134) No. 32 - (E6) No. 1: 
#4 (B134) No. 13 - (E17) No. 1: 
Is the resistance less than 1 Ω? Go to step 12.  Repair the harness and connector.
NOTE: In this case, repair the following item:
  • Open circuit in harness between ECM connector and fuel injector connector
  • Poor contact of coupling connector
12 CHECK FUEL INJECTOR. 
Measure the resistance between fuel injector terminals on faulty cylinder.
Terminals 
No. 1 - No. 2: 
Is the resistance 5 - 20 Ω? Go to step 13.  Replace the faulty fuel injector. Ref. to Fuel Injector .
13 CHECK POWER SUPPLY LINE. 
  1. Turn the ignition switch to ON.
  2. Measure the voltage between fuel injector and engine ground on faulty cylinders.

Connector & terminal 
#1 (E5) No. 2 (+) - Engine ground (-): 
#2 (E16) No. 2 (+) - Engine ground (-): 
#3 (E6) No. 2 (+) - Engine ground (-): 
#4 (E17) No. 2 (+) - Engine ground (-): 
Is the voltage 10 V or more? Repair the poor contact of all connectors in fuel injector circuit. Repair the harness and connector.
NOTE: In this case, repair the following item:
  • Open circuit in harness between the main relay connector and fuel injector connector on faulty cylinders
  • Poor contact of coupling connector
  • Poor contact of main relay connector
14 CHECK HARNESS BETWEEN ECM AND FUEL INJECTOR CONNECTOR. 
  1. Turn the ignition switch to OFF.
  2. Disconnect the connector from fuel injector on faulty cylinders.
  3. Turn the ignition switch to ON.
  4. Measure the voltage between ECM and chassis ground on faulty cylinders.

Connector & terminal 
#1 (B134) No. 12 (+) - Chassis ground (-): 
#2 (B134) No. 22 (+) - Chassis ground (-): 
#3 (B134) No. 32 (+) - Chassis ground (-): 
#4 (B134) No. 13 (+) - Chassis ground (-): 
Is the voltage 10 V or more? Repair the short circuit to power in harness between ECM connector and fuel injector. Go to step 15. 
15 CHECK FUEL INJECTOR. 
  1. Turn the ignition switch to OFF.
  2. Measure the resistance between fuel injector terminals on faulty cylinder.

Terminals 
No. 1 - No. 2: 
Is the resistance 5 - 20 Ω? Go to step 16.  Replace the faulty fuel injector. Ref. to Fuel Injector .
16 CHECK INSTALLATION CONDITION OF CAMSHAFT POSITION SENSOR/CRANKSHAFT POSITION SENSOR.  Is the camshaft position sensor or crankshaft position sensor loosely installed? Tighten the camshaft position sensor or crankshaft position sensor. Ref. to INSTALLATION , Camshaft Position Sensor. Ref. to INSTALLATION , Crankshaft Position Sensor. Go to step 17. 
17 CHECK CRANKSHAFT POSITION SENSOR PLATE.  Is the crankshaft position sensor plate rusted or does it have broken teeth? Replace the crankshaft position sensor plate. Ref. to Cylinder Block . Go to step 18. 
18 CHECK INSTALLATION CONDITION OF TIMING CHAIN. 
Turn the crankshaft using ST, and align the alignment mark on crank sprocket with alignment mark on cylinder block.
ST 18252AA000 CRANKSHAFT SOCKET
Is the timing chain dislocated from its proper position? Correct the installation condition of timing chain. Ref. to Timing Chain Assembly . Go to step 19. 
19 CHECK ELECTRONIC THROTTLE CONTROL RELAY. 
  1. Turn the ignition switch to OFF.
  2. Remove the electronic throttle control relay.
  3. Connect the battery to terminals No. 16 and No. 17 of electronic throttle control relay.
  4. Measure the resistance between electronic throttle control relay terminals.

Terminals 
No. 14 - No. 15: 
Is the resistance less than 1 Ω? Go to step 20.  Replace the electronic throttle control relay. Ref. to Electronic Throttle Control Relay .
20 CHECK POWER SUPPLY OF ELECTRONIC THROTTLE CONTROL RELAY. 
Measure the voltage between electronic throttle control relay connector and chassis ground.
Connector & terminal 
(B225) No. 15 (+) - Chassis ground (-): 
Is the voltage 10 V or more? Go to step 21.  Repair the open or short to ground in the power supply circuit.
21 CHECK HARNESS BETWEEN ECM AND ELECTRONIC THROTTLE CONTROL RELAY CONNECTOR. 
  1. Disconnect the connector from ECM.
  2. Turn the ignition switch to ON.
  3. Measure the voltage between electronic throttle control relay connector and chassis ground.

Connector & terminal 
(B225) No. 17 (+) - Chassis ground (-): 
Is the voltage 10 V or more? Repair the short circuit to power in the harness between ECM connector and electronic throttle control relay connector. Go to step 22. 
22 CHECK HARNESS BETWEEN ECM AND ELECTRONIC THROTTLE CONTROL RELAY CONNECTOR. 
  1. Turn the ignition switch to OFF.
  2. Measure the resistance between electronic throttle control relay connector and chassis ground.

Connector & terminal 
(B225) No. 14 - Chassis ground: 
(B225) No. 17 - Chassis ground: 
Is the resistance 1 MΩ or more? Go to step 23.  Repair the short circuit to ground in harness between ECM connector and electronic throttle control relay connector.
23 CHECK HARNESS BETWEEN ECM AND ELECTRONIC THROTTLE CONTROL RELAY CONNECTOR. 
Measure the resistance of harness between ECM connector and electronic throttle control relay connector.
Connector & terminal 
(B135) No. 17 - (B225) No. 17: 
(B135) No. 7 - (B225) No. 14: 
Is the resistance less than 1 Ω? Go to step 24.  Repair the open circuit in harness between ECM connector and electronic throttle control relay connector.
24 CHECK HARNESS BETWEEN ECM AND ELECTRONIC THROTTLE CONTROL CONNECTOR. 
  1. Turn the ignition switch to OFF.
  2. Disconnect the connector from ECM.
  3. Disconnect the connectors from electronic throttle control.
  4. Measure the resistance between ECM connector and chassis ground.

Connector & terminal 
(B134) No. 19 - Chassis ground: 
(B134) No. 18 - Chassis ground: 
(B134) No. 18 - (B137) No. 4: 
(B134) No. 28 - Chassis ground: 
(B134) No. 28 - (B137) No. 4: 
Is the resistance 1 MΩ or more? Go to step 25.  Repair the ground short circuit of harness between ECM connector and electronic throttle control connector.
25 CHECK SHORT CIRCUIT INSIDE THE ECM. 
  1. Connect the connector to ECM.
  2. Measure the resistance between electronic throttle control connector and engine ground.

Connector & terminal 
(E57) No. 6 - Engine ground: 
(E57) No. 4 - Engine ground: 
Is the resistance 1 MΩ or more? Go to step 26.  Repair the ground short circuit of harness between ECM connector and electronic throttle control connector. Replace the ECM if defective. Ref. to Engine Control Module (ECM) .
26 CHECK HARNESS BETWEEN ECM AND ELECTRONIC THROTTLE CONTROL CONNECTOR. 
  1. Disconnect the connector from ECM.
  2. Measure the resistance of harness between ECM connector and electronic throttle control connector.

Connector & terminal 
(B134) No. 18 - (E57) No. 6: 
(B134) No. 28 - (E57) No. 4: 
(B134) No. 29 - (E57) No. 3: 
Is the resistance less than 1 Ω? Go to step 27.  Repair the harness and connector.
NOTE: In this case, repair the following item:
  • Open circuit in harness between ECM connector and electronic throttle control connector
  • Poor contact of coupling connector
27 CHECK HARNESS BETWEEN ECM AND ELECTRONIC THROTTLE CONTROL CONNECTOR. 
  1. Connect the connector to ECM.
  2. Measure the resistance between electronic throttle control connector and engine ground.

Connector & terminal 
(E57) No. 3 - Engine ground: 
Is the resistance less than 5 Ω? Go to step 28.  Repair the harness and connector.
NOTE: In this case, repair the following item:
  • Open circuit of harness between ECM connector and engine ground
  • Poor contact of ECM connector
  • Poor contact of coupling connector
28 CHECK HARNESS BETWEEN ECM AND ELECTRONIC THROTTLE CONTROL CONNECTOR. 
  1. Turn the ignition switch to ON.
  2. Measure the voltage between electronic throttle control connector and engine ground.

Connector & terminal 
(E57) No. 6 (+) - Engine ground (-): 
(E57) No. 4 (+) - Engine ground (-): 
Is the voltage 5 V or more? Repair the short circuit to power in the harness between ECM connector and electronic throttle control connector. Go to step 29. 
29 CHECK HARNESS BETWEEN ECM AND ELECTRONIC THROTTLE CONTROL CONNECTOR. 
  1. Turn the ignition switch to OFF.
  2. Disconnect the connector from ECM.
  3. Measure the resistance between ECM connectors.

Connector & terminal 
(B134) No. 19 - (B134) No. 18: 
(B134) No. 19 - (B134) No. 28: 
Is the resistance 1 MΩ or more? Go to step 30.  Repair the short circuit to power in the harness between ECM connector and electronic throttle control connector.
30 CHECK SENSOR OUTPUT. 
  1. Connect all connectors.
  2. Turn the ignition switch to ON.
  3. Read the value of «Main-Throttle Sensor» using Subaru Select Monitor.
NOTE: For detailed operation procedures, refer to "Current Data Display For Engine". Ref. to Subaru Select Monitor .
Is the value of «Main-Throttle Sensor» 0.81 - 0.87 V? Go to step 31.  Repair the poor contact of electronic throttle control connector. Replace the electronic throttle control if defective. Ref. to Throttle Body .
31 CHECK SENSOR OUTPUT. 
Read the value of «Sub-Throttle Sensor» using Subaru Select Monitor.
NOTE: For detailed operation procedures, refer to "Current Data Display For Engine". Ref. to Subaru Select Monitor .
Is the value of «Sub-Throttle Sensor» 1.64 - 1.70 V? Go to step 32.  Repair the poor contact of electronic throttle control connector. Replace the electronic throttle control if defective. Ref. to Throttle Body .
32 CHECK HARNESS BETWEEN ECM AND ELECTRONIC THROTTLE CONTROL CONNECTOR. 
  1. Turn the ignition switch to OFF.
  2. Disconnect the connector from ECM.
  3. Disconnect the connectors from electronic throttle control.
  4. Measure the resistance between ECM connector and electronic throttle control connector.

Connector & terminal 
(B134) No. 2 - (E57) No. 2: 
(B134) No. 1 - (E57) No. 1: 
Is the resistance less than 1 Ω? Go to step 33.  Repair the harness and connector.
NOTE: In this case, repair the following item:
  • Open circuit in harness between ECM connector and electronic throttle control connector
  • Poor contact of coupling connector
33 CHECK HARNESS BETWEEN ECM AND ELECTRONIC THROTTLE CONTROL CONNECTOR. 
  1. Connect the connector to ECM.
  2. Turn the ignition switch to ON.
  3. Measure the voltage between electronic throttle control connector and engine ground.

Connector & terminal 
(E57) No. 2 (+) - Engine ground (-): 
(E57) No. 1 (+) - Engine ground (-): 
Is the voltage 5 V or more? Repair the short circuit to power in the harness between ECM connector and electronic throttle control connector. Go to step 34. 
34 CHECK HARNESS BETWEEN ECM AND ELECTRONIC THROTTLE CONTROL CONNECTOR. 
  1. Turn the ignition switch to OFF.
  2. Disconnect the connector from ECM.
  3. Measure the resistance between electronic throttle control connector and engine ground.

Connector & terminal 
(E57) No. 2 - Engine ground: 
(E57) No. 1 - Engine ground: 
Is the resistance 1 MΩ or more? Go to step 35.  Repair the ground short circuit of harness between ECM connector and electronic throttle control connector.
35 CHECK HARNESS BETWEEN ELECTRONIC THROTTLE CONTROL CONNECTOR. 
Measure the resistance between electronic throttle control connectors.
Connector & terminal 
(E57) No. 2 - (E57) No. 1: 
Is the resistance 1 MΩ or more? Go to step 36.  Repair the short circuit in harness between ECM connector and electronic throttle control connector.
36 CHECK ELECTRONIC THROTTLE CONTROL GROUND CIRCUIT. 
Measure the resistance between ECM connector and chassis ground.
Connector & terminal 
(B134) No. 3 - Chassis ground: 
(B134) No. 4 - Chassis ground: 
(B136) No. 1 - Chassis ground: 
(B136) No. 2 - Chassis ground: 
(B136) No. 3 - Chassis ground: 
Is the resistance less than 5 Ω? Go to step 37.  Repair the harness and connector.
NOTE: In this case, repair the following item:
  • Open circuit of harness between ECM connector and engine ground
  • Poor contact of coupling connector
37 CHECK ELECTRONIC THROTTLE CONTROL. 
Measure the resistance between electronic throttle control terminals.
Terminals 
No. 2 - No. 1: 
Is the resistance 50 Ω or less? Go to step 38.  Replace the electronic throttle control. Ref. to Throttle Body .
38 CHECK ELECTRONIC THROTTLE CONTROL. 
Move the throttle valve to the fully opened and fully closed positions with fingers.
Check that the valve returns to the specified position when releasing fingers.
Does the valve return to the specified position? Standard value: 3 mm (0.12 in) from fully closed position Repair the poor contact of ECM connector. Replace the electronic throttle control. Ref. to Throttle Body .