LEMON Manuals: Even more car manuals for everyone: 1960-2025
Home >> Subaru >> 2017 >> Crosstrek Base >> Repair and Diagnosis (Single Page) >> Engine Performance >> System >> Engine Control System (Diagnostics) (P0171 To P0685) (H4DO) >> Diagnostic Procedure with Diagnostic Trouble Code (DTC) >> DTC P060A: Internal Control Module Monitoring Processor Performance >> Component Description
April 5, 2026: LEMON Manuals is launched! Read the announcement.

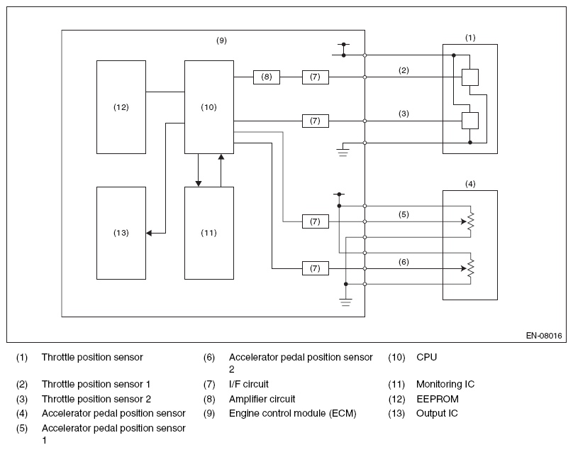
Component Description

Fig 1: Throttle Position Sensor Circuit Diagram
G11590218Courtesy of SUBARU OF AMERICA, INC.