LEMON Manuals: Even more car manuals for everyone: 1960-2025
Home >> Subaru >> 2017 >> Crosstrek Base >> Repair and Diagnosis (Single Page) >> Engine Performance >> Testing & Diagnosis >> Engine Control System (Diagnostics) (P0171 To P0685) (H4DO) >> Diagnostic Procedure with Diagnostic Trouble Code (DTC) >> DTC P0606: Control Module Processor >> Component Description
April 5, 2026: LEMON Manuals is launched! Read the announcement.

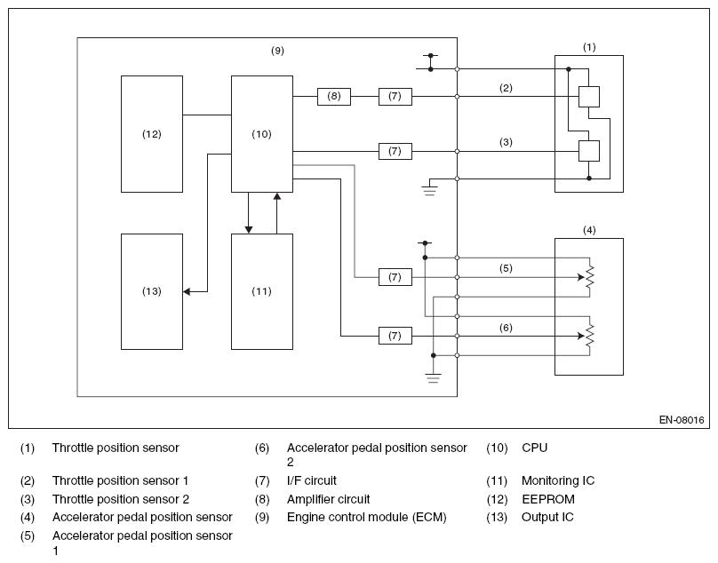
Component Description

Fig 1: Throttle Position Sensor Circuit Diagram
G11590217Courtesy of SUBARU OF AMERICA, INC.