LEMON Manuals: Even more car manuals for everyone: 1960-2025
Home >> Subaru >> 2017 >> Crosstrek Base >> Repair and Diagnosis (Single Page) >> Engine Performance >> Testing & Diagnosis >> Engine Control System (Diagnostics) (P0171 To P0685) (H4DO) >> Diagnostic Procedure with Diagnostic Trouble Code (DTC) >> DTC P0606: Control Module Processor >> Notes
April 5, 2026: LEMON Manuals is launched! Read the announcement.

DTC P0606: Control Module Processor: Notes

DTC detecting condition: 

Immediately at fault recognition

Trouble symptom: 

CAUTION: After servicing or replacing faulty parts, perform Clear Memory Mode Ref. to OPERATION , Clear Memory Mode., and Inspection Mode Ref. to PROCEDURE , Inspection Mode..

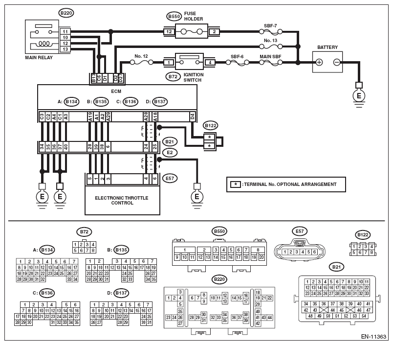
Wiring diagram: 

Engine electrical system Ref. to Engine Electrical System .

Fig 1: Control Module Processor Wiring Diagram
G10320406Courtesy of SUBARU OF AMERICA, INC.
Step Check Yes No
1 CHECK INPUT VOLTAGE OF ECM. 
  1. Turn the ignition switch to ON.
  2. Measure the voltage between ECM connector and chassis ground.

Connector & terminal 
(B136) No. 6 (+) - Chassis ground (-): 
(B137) No. 1 (+) - Chassis ground (-): 
Is the voltage 10 - 13 V? Go to step . Repair the open or short to ground in the power supply circuit.
2 CHECK INPUT VOLTAGE OF ECM. 
  1. Start the engine.
  2. Measure the voltage between ECM connector and chassis ground.

Connector & terminal 
(B136) No. 6 (+) - Chassis ground (-): 
(B137) No. 1 (+) - Chassis ground (-): 
Is the voltage 13 - 15 V? Go to step . Repair the open or short to ground in the power supply circuit.
3 CHECK HARNESS BETWEEN ECM AND ELECTRONIC THROTTLE CONTROL CONNECTOR. 
  1. Turn the ignition switch to OFF.
  2. Disconnect the connector from ECM.
  3. Disconnect the connectors from electronic throttle control.
  4. Measure the resistance of harness between ECM connector and electronic throttle control connector.

Connector & terminal 
(B134) No. 19 - (E57) No. 5: 
(B134) No. 29 - (E57) No. 3: 
Is the resistance less than 1 Ω? Go to step . Repair the harness and connector.
NOTE: In this case, repair the following item:
  • Open circuit in harness between ECM connector and electronic throttle control connector
  • Poor contact of coupling connector
4 CHECK ECM GROUND HARNESS. 
  1. Connect all connectors.
  2. Turn the ignition to ON.
  3. Measure the voltage between ECM connector and chassis ground.

Connector & terminal 
(B134) No. 3 (+) - Chassis ground (-): 
(B134) No. 4 (+) - Chassis ground (-): 
(B136) No. 1 (+) - Chassis ground (-): 
(B136) No. 2 (+) - Chassis ground (-): 
(B136) No. 3 (+) - Chassis ground (-): 
Is the voltage less than 1 V? Check the connector for poor contact and check the harness. Replace the ECM if no fault is found. Ref. to Engine Control Module (ECM) . Repair the harness and connector.
NOTE: In this case, repair the following item:
  • Open circuit in ground circuit
  • Further tightening of the engine ground terminal
  • Poor contact of coupling connector