LEMON Manuals: Even more car manuals for everyone: 1960-2025
Home >> Subaru >> 2017 >> Outback 3.6R Touring >> Repair and Diagnosis (Single Page) >> Engine Performance >> System >> Engine Control System (Diagnostics) (P000A To P015D) (H6DO) >> Diagnostic Procedure with Diagnostic Trouble Code (DTC) >> DTC P0134: A/F/O2 Sensor Circuit No Activity Detected Bank 1 Sensor 1 >> Notes
April 5, 2026: LEMON Manuals is launched! Read the announcement.

DTC P0134: A/F/O2 Sensor Circuit No Activity Detected Bank 1 Sensor 1: Notes

DTC detecting condition: 

Immediately at fault recognition

CAUTION: After servicing or replacing faulty parts, perform Clear Memory Mode Ref. to OPERATION , Clear Memory Mode and Inspection Mode Ref. to PROCEDURE , Inspection Mode.

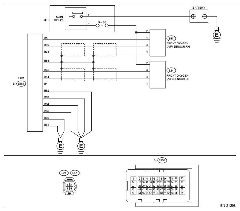
Wiring diagram: 

Engine Electrical System Ref. to WIRING DIAGRAM , Engine Electrical System.

Fig 1: Front Oxygen Sensor Wiring Diagram
G11586538Courtesy of SUBARU OF AMERICA, INC.
Step Check Yes No
1 CHECK HARNESS BETWEEN ECM AND FRONT OXYGEN (A/F) SENSOR CONNECTOR. 
  1. Turn the ignition switch to OFF.
  2. Disconnect the connector from ECM.
  3. Disconnect the connectors from front oxygen (A/F) sensor.
  4. Measure the resistance of harness between ECM connector and front oxygen (A/F) sensor connector.

    Connector & terminal 

    (E158) No. 46 - (E47) No. 3: 

    (E158) No. 33 - (E47) No. 4: 

Is the resistance less than 1 Ω? Go to step Repair the harness and connector.
NOTE: In this case, repair the following item:
  • Open circuit in harness between ECM connector and front oxygen (A/F) sensor connector
  • Poor contact of coupling connector
2 CHECK FOR POOR CONTACT. 
Check for poor contact of ECM and front oxygen (A/F) sensor connector.
Is there poor contact of ECM or front oxygen (A/F) sensor connector? Repair the poor contact of ECM or front oxygen (A/F) sensor connector. Replace the front oxygen (A/F) sensor. Ref. to FRONT OXYGEN (A/F) SENSOR .