LEMON Manuals: Even more car manuals for everyone: 1960-2025
Home >> Subaru >> 2017 >> Outback 3.6R Touring >> Repair and Diagnosis (Single Page) >> Engine Performance >> System >> Engine Control System (Diagnostics) (P2101 To U1712) (H6DO) >> Diagnostic Procedure with Diagnostic Trouble Code (DTC) >> DTC P2272: O2 Sensor Signal Biased/Stuck Lean Bank 2 Sensor 2 >> Notes
April 5, 2026: LEMON Manuals is launched! Read the announcement.

DTC P2272: O2 Sensor Signal Biased/Stuck Lean Bank 2 Sensor 2: Notes

DTC detecting condition: 

Detected when two consecutive driving cycles with fault occur.

CAUTION: After servicing or replacing faulty parts, perform Clear Memory Mode Ref. to OPERATION , Clear Memory Mode and Inspection Mode Ref. to PROCEDURE , Inspection Mode.

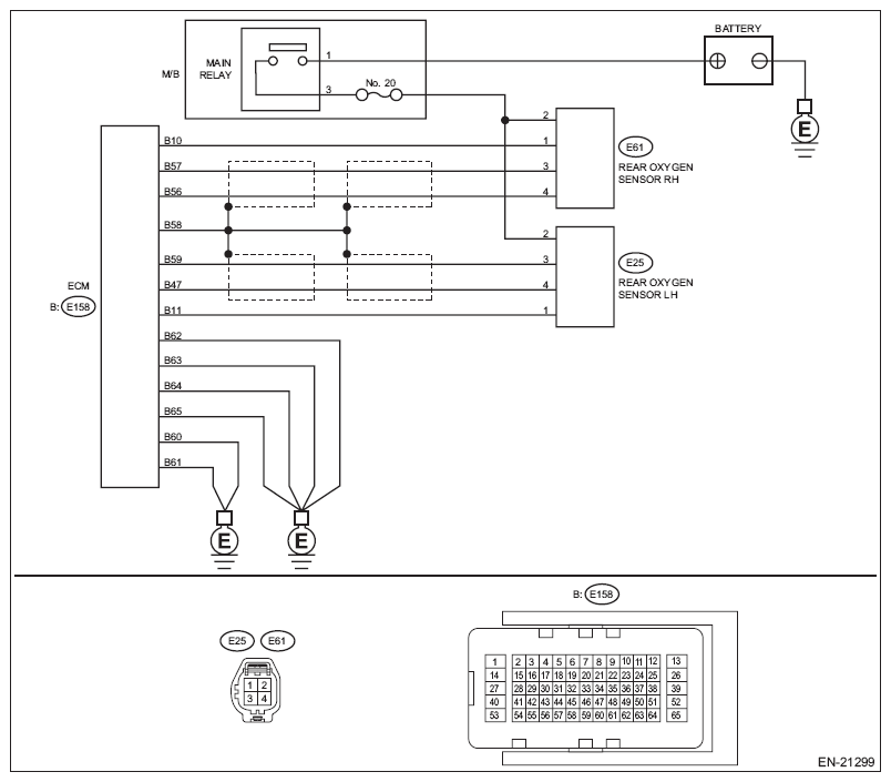
Wiring diagram: 

Engine Electrical System Ref. to WIRING DIAGRAM , Engine Electrical System.

Fig 1: O2 Sensor Signal Biased/Stuck Lean Bank 2 Sensor 2 Wiring Diagram
G11586544Courtesy of SUBARU OF AMERICA, INC.
Step Check Yes No
1 CHECK REAR OXYGEN SENSOR CONNECTOR.  Has water entered the connector? Completely remove any water inside. Go to step
2 CHECK HARNESS BETWEEN ECM AND REAR OXYGEN SENSOR CONNECTOR. 
  1. Turn the ignition switch to OFF.
  2. Disconnect the connector from ECM.
  3. Disconnect the connector from rear oxygen sensor RH.
  4. Measure the resistance of harness between ECM connector and rear oxygen sensor connector.

    Connector & terminal 

    (E158) No. 57 - (E61) No. 3: 

    (E158) No. 56 - (E61) No. 4: 

Is the resistance less than 1 Ω? Go to step Repair the open circuit of harness between ECM connector and rear oxygen sensor connector.
3 CHECK HARNESS BETWEEN ECM AND REAR OXYGEN SENSOR CONNECTOR. 
  1. Connect the connector to ECM.
  2. Turn the ignition switch to ON.
  3. Measure the voltage between rear oxygen sensor connector and engine ground.

    Connector & terminal 

    (E61) No. 3 (+) - Engine ground (-): 

Is the voltage 0.15 V or more? Repair the short circuit to power in the harness between ECM connector and rear oxygen sensor connector. Go to step
4 CHECK EXHAUST SYSTEM. 
Check exhaust system parts.
NOTE: Check the following items.
  • Looseness and improper fitting of exhaust system parts
  • Damage (crack, hole etc.) of parts
  • Damage (crack, hole etc.) between front oxygen (A/F) sensor and rear oxygen sensor RH
Is there any fault in exhaust system? Repair or replace faulty parts. Replace the rear oxygen sensor RH. Ref. to REAR OXYGEN SENSOR