LEMON Manuals: Even more car manuals for everyone: 1960-2025
Home >> Subaru >> 2017 >> WRX Base >> Repair and Diagnosis >> External Pages >> Different car >> Section 64 (Cockpit Control System (Diagnostics)) >> Diagnostic Procedure with Diagnostic Trouble Code (DTC) >> DTC B2259: Center Information Display Communication Open
April 5, 2026: LEMON Manuals is launched! Read the announcement.

DTC B2259: Center Information Display Communication Open

WARNING: This page is about a different car, the 2022 Subaru WRX. However, it is still accessible from the selected car via links, so may be relevant.

DTC detecting condition: 

Detected when LVDS communication with the center information display is not possible.

Trouble symptom: 

Center information display cannot be displayed.

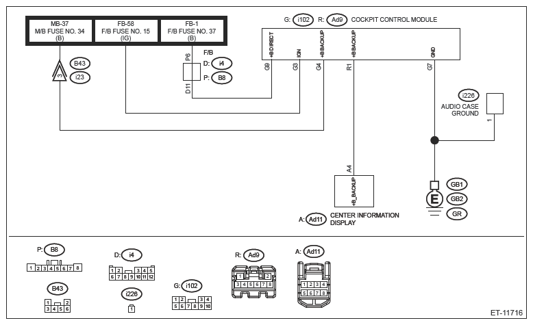
Wiring diagram: 

Audio and navigation system Ref. to WIRING SYSTEM>AUDIO AND NAVIGATION SYSTEM>WIRING DIAGRAM

G14615390
CAUTION:

Before performing diagnosis, refer to "CAUTION" in "General Description". Ref. to  COCKPIT CONTROL (DIAGNOSTICS)>GENERAL DESCRIPTION>CAUTION  

  1. CHECK DTC  .
    1. Turn the ignition switch to ON.
    2. Using the Subaru Select Monitor, perform the clear memory of [Cockpit Control]. Ref. to COMMON (DIAGNOSTICS)>CLEAR MEMORY
    3. Turn the ignition switch OFF → ON.
    4. Read the DTC of [Cockpit Control] using the Subaru Select Monitor. Ref. to COCKPIT CONTROL (DIAGNOSTICS)>DIAGNOSTIC TROUBLE CODE (DTC) 

    Is DTC B2259 displayed? (Current code)

    Yes  : Go to  2.

    No  : Even if DTC is displayed, the circuit has returned to a normal condition at this time. Reproduce the failure, and then perform the diagnosis again.

    NOTE:

    In this case, temporary poor contact of connector, temporary open or short circuit of harness may be the cause. 

  2. CHECK FUSE  .
    1. Turn the ignition switch to OFF.
    2. Check the fuse. Ref. to WIRING SYSTEM>AUDIO AND NAVIGATION SYSTEM>WIRING DIAGRAM

    Is the check result OK?

    Yes  : Go to  3.

    No  : Replace the fuse. If the replaced fuse blows out easily, check or replace the short circuit of the power supply harness.

  3. CHECK CONNECTOR CONNECTION  .

    Check that the connector is connected to the unit.

    Is the check result OK?

    Yes  : Go to  4.

    No  : Connect the connector.

  4. CHECK CONNECTOR  .

    Check for poor contact of connectors or terminals.

    Is the check result OK?

    Yes  : Go to  5.

    No  : Repair or replace the harness.

  5. CHECK POWER SUPPLY VOLTAGE  .
    1. Disconnect the connector (i102) of the cockpit control module.
    2. Turn the ignition switch to ON.
    3. Using the tester, measure the voltage between cockpit control module connector (i102) and chassis ground.
      NOTE:

      Turn the electrical parts to OFF. 

      Connector & terminal 

      (i102) No. 3 (+) - Chassis ground (-):

      (i102) No. 4 (+) - Chassis ground (-):

    Is the voltage 10 V or more?

    Yes  : Go to  7.

    No  : Go to  6.

  6. CHECK HARNESS (POWER SUPPLY)  .
    1. Turn the ignition switch to OFF.
    2. Measure the resistance between cockpit control module connector (i102) and each fuse.

      Connector & terminal 

      (i102) No. 3 - F/B fuse No. 15:

      (i102) No. 4 - M/B fuse No. 34:

    Is the resistance 1 Ω or less?

    Yes  : Go to  7.

    No  : Repair or replace the open circuit of harness.

  7. CHECK HARNESS (GROUND)  .

    Measure the resistance between cockpit control module connector (i102) and chassis ground.

    Connector & terminal 

    (i102) No. 7 - Chassis ground:

    Is the resistance 1 Ω or less?

    Yes  : Go to  8.

    No  : Repair or replace the open circuit of harness.

  8. CHECK BATTERY  .

    Check the battery. Ref. to STARTING/CHARGING SYSTEMS (H4DOTC)>BATTERY>INSPECTION

    Is the check result OK?

    Yes  : Go to  9.

    No  : Charge or replace the battery.

  9. CHECK CONNECTOR AND CABLE  .

    Visually check the connector, terminal or cable body of the cockpit control module and center information display.

    Is the check result OK?

    Yes  : Go to  10.

    No  : Reconnect the connector.

    NOTE:

    Replace the cable if the cable or connector is faulty. 

  10. CHECK POWER SUPPLY VOLTAGE (BETWEEN COCKPIT CONTROL MODULE - CENTER INFORMATION DISPLAY)  .
    1. Disconnect the center information display connector (Ad11).
    2. Turn the ignition switch to ON.
    3. Using a tester, measure the voltage between center information display connector (Ad11) and chassis ground.

      Connector & terminal 

      (Ad11) No. 4 (+) - Chassis ground (-):

    Is the voltage 10 V or more?

    Yes  : Go to  11.

    No  : Replace the cockpit control module. Ref. to ENTERTAINMENT & MONITORING>COCKPIT DISPLAY

  11. CHECK OPERATION  .
    1. Connect all connectors.
    2. Turn the ignition switch to ACC and the power supply switch of the unit to ON.

    Does the power turn ON?

    Yes  : Currently no failure is found.

    No  : Go to  12.

  12. CHECK CENTER INFORMATION DISPLAY  .
    1. Turn the ignition switch to OFF.
    2. Replace the center information display with a new or properly functioning part. Ref. to ENTERTAINMENT & MONITORING>COCKPIT DISPLAY
    3. Turn the ignition switch to ON.
    4. Using the Subaru Select Monitor, perform the clear memory of [Cockpit Control]. Ref. to COMMON (DIAGNOSTICS)>CLEAR MEMORY
    5. Turn the ignition switch OFF → ON.
    6. Read the DTC of [Cockpit Control] using the Subaru Select Monitor. Ref. to COCKPIT CONTROL (DIAGNOSTICS)>DIAGNOSTIC TROUBLE CODE (DTC) 

    Is DTC B2259 displayed? (Current code)

    Yes  : Return the center information display to its original position, and replace the cockpit control module. Ref. to ENTERTAINMENT & MONITORING>COCKPIT DISPLAY

    No  : Center information display had a failure.