LEMON Manuals: Even more car manuals for everyone: 1960-2025
Home >> Subaru >> 2017 >> WRX Base >> Repair and Diagnosis >> External Pages >> Different car >> Section 9 (Body Control System (Diagnostics)) >> Diagnostic Procedure with Diagnostic Trouble Code (DTC) >> DTC B2681: High Beam Assist Control Module
April 5, 2026: LEMON Manuals is launched! Read the announcement.

DTC B2681: High Beam Assist Control Module

WARNING: This page is about a different car, the 2022 Subaru WRX. However, it is still accessible from the selected car via links, so may be relevant.

DTC detecting condition: 

Trouble symptom: 

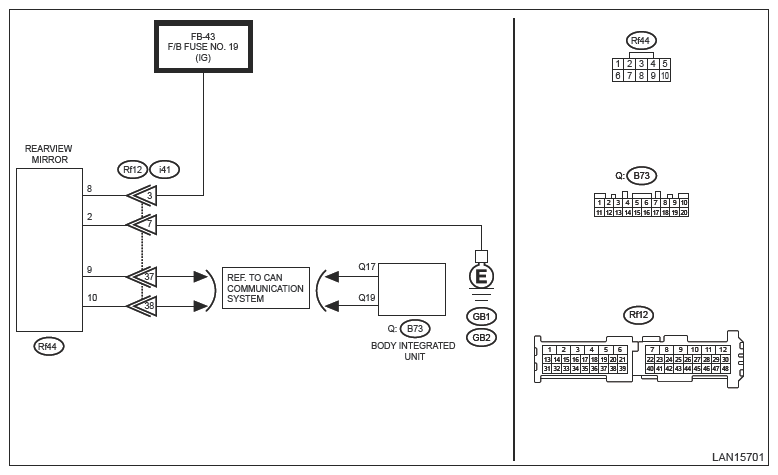
Wiring diagram: 

G14615350Courtesy of SUBARU OF AMERICA, INC.
CAUTION:

Before performing diagnosis, refer to "CAUTION" in "General Description". Ref. to  BODY CONTROL (DIAGNOSTICS)>GENERAL DESCRIPTION>CAUTION  

  1. CHECK DTC  .
    1. Turn the ignition switch to ON.
    2. Read the DTC of [Body Control] using the Subaru Select Monitor. Ref. to BODY CONTROL (DIAGNOSTICS)>DIAGNOSTIC TROUBLE CODE (DTC) 

    Is DTC B2681 displayed? (Current code)

    Yes  : Go to  2.

    No  : Temporary access error occurs. Delete the DTC.

  2. CHECK DATA MONITOR  .
    1. Turn the ignition switch to OFF.
    2. Turn the ignition switch to ON and wait for at least 15 seconds.
    3. Using the Subaru Select Monitor, check the following items in the [Data Monitor] of [Body Control]. Ref. to BODY CONTROL (DIAGNOSTICS)>DATA MONITOR 
      • <HBA> ECU

    Is [Abnormal] displayed?

    Yes  : Replace the high beam assist module. Ref. to GLASS/WINDOWS/MIRRORS>REARVIEW MIRROR

    No  : Go to  3.

  3. CHECK POWER SUPPLY VOLTAGE  .
    1. Turn the ignition switch to OFF.
    2. Disconnect the high beam assist module connector. Ref. to GLASS/WINDOWS/MIRRORS>REARVIEW MIRROR
    3. Turn the ignition switch to ON.
    4. Using a tester, measure the voltage between terminals in the high beam assist module connector.

      Connector & terminal 

      (Rf44) No. 8 (+) - (Rf44) No. 2 (-):

    Is the voltage 10 V or more?

    Yes  : Replace the body integrated unit. Ref. to BODY CONTROL/COMMUNICATION SYSTEM>BODY INTEGRATED UNIT

    No  : Go to  4.

  4. CHECK FUSE  .
    1. Turn the ignition switch to OFF.
    2. Check the fuse. Ref. to WIRING SYSTEM>HEADLIGHT SYSTEM>WIRING DIAGRAM

    Is the check result OK?

    Yes  : Go to  5.

    No  : Replace the defective fuse. When the replaced fuse is blown, check the power supply circuit for short-circuited.

  5. CHECK HARNESS (OPEN CIRCUIT)  .
    1. Disconnect the high beam assist module connector. Ref. to GLASS/WINDOWS/MIRRORS>REARVIEW MIRROR
    2. Using a tester, measure the resistance between the high beam assist module and chassis ground.

      Connector & terminal 

      (Rf44) No. 2 - Chassis ground:

    Is the resistance less than 10 Ω?

    Yes  : Replace the body integrated unit. Ref. to BODY CONTROL/COMMUNICATION SYSTEM>BODY INTEGRATED UNIT

    No  : Repair or replace the open circuit of harness.