LEMON Manuals: Even more car manuals for everyone: 1960-2025
Home >> Subaru >> 2017 >> WRX Base >> Repair and Diagnosis >> Transmission >> Manual Trans >> Manual Transaxle & Differential (6MT) (Diagnostics) >> Diagnostic Procedure with Diagnostic Trouble Code (DTC) >> DTC P0606 Control Module Processor
April 5, 2026: LEMON Manuals is launched! Read the announcement.

DTC P0606 Control Module Processor

DIAGNOSIS START CONDITION: 

At DCCD control module initialization (when power is turned to ON)

Malfunction judgment criteria: 

When CAN function of microcomputer is abnormal (when CAN register read/write is abnormal)

TROUBLE SYMPTOM: 

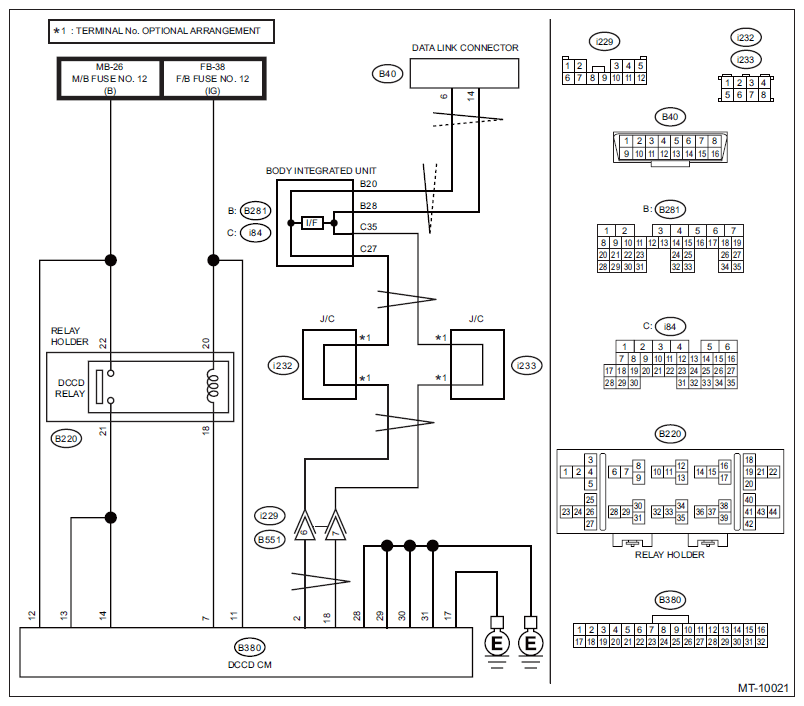
WIRING DIAGRAM: 

Drivers control center differential control system <Ref. to Driver's Control Center Differential Control System .>

Fig 1: Control Module Processor Wiring Diagram
G11578825Courtesy of SUBARU OF AMERICA, INC.
Step Check Yes No
1 CHECK INPUT VOLTAGE OF DCCD CONTROL MODULE. 
  1. Turn the ignition switch to ON.
  2. Measure the voltage between DCCD control module and chassis ground.

Connector & terminal 
(B380) No. 11 (+) - Chassis ground (-): 
Is the voltage 10 - 13 V? Go to step . Repair the open or short to ground in the power supply circuit.
2 CHECK INPUT VOLTAGE OF DCCD CONTROL MODULE. 
  1. Start the engine.
  2. Measure the voltage between DCCD control module and chassis ground.

Connector & terminal 
(B380) No. 11 (+) - Chassis ground (-): 
Is the voltage 13 - 15 V? Go to step . Repair the open or short to ground in the power supply circuit.
3 CHECK DCCD CONTROL MODULE GROUND HARNESS. 
  1. Turn the ignition switch to ON.
  2. Measure the voltage between DCCD control module and chassis ground.

    Connector & terminal 

    (B380) No. 28 (+) - Chassis ground (-): 

    (B380) No. 29 (+) - Chassis ground (-): 

    (B380) No. 30 (+) - Chassis ground (-): 

    (B380) No. 31 (+) - Chassis ground (-): 

Is the voltage less than 1 V? Check for poor contact of connector, if a fault is not found, replace the DCCD control module. <Ref. to Driver's Control Center Differential Control Module .> Repair the harness and connector.