LEMON Manuals: Even more car manuals for everyone: 1960-2025
Home >> Subaru >> 2017 >> WRX Limited, Standard Trans >> Repair and Diagnosis (Single Page) >> Accessories & Equipment >> Anti-Theft Systems >> Security And Locks - Keyless Access (W/ Push Button Start) (Diagnostics) >> Diagnostic Procedure with Diagnostic Trouble Code (DTC) >> DTC B2789 Id Code Box Communication
April 5, 2026: LEMON Manuals is launched! Read the announcement.

DTC B2789 Id Code Box Communication

DTC DETECTING CONDITION: 

TROUBLE SYMPTOM: 

Engine will not start.

CAUTION: For replacement procedure of Keyless Access Control Module and ID code box, refer to the "REGISTRATION MANUAL FOR IMMOBILIZER" provided as a separate volume.

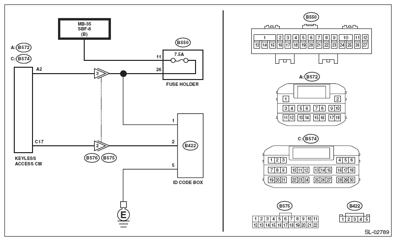
WIRING DIAGRAM: 

Push button start system <Ref. to WIRING DIAGRAM , Push Button Start System.>

Fig 2: ID Code Box Communication - Wiring Diagram (Engine Type EJ)
G10271476Courtesy of SUBARU OF AMERICA, INC.
Step Check Yes No
1 CHECK DTC. 
  1. Using the Subaru Select Monitor, clear the memory. <Ref. to CLEAR MEMORY MODE .>
  2. Read the DTC using Subaru Select Monitor. <Ref. to READ DIAGNOSTIC TROUBLE CODE (DTC) .>
Is DTC B2789 displayed? Go to step . Even if DTC is displayed, the circuit has returned to a normal condition at this time. Reproduce the failure, and then perform the diagnosis again.
NOTE: In this case, temporary poor contact of connector, temporary open or short circuit of harness may be the cause.
2 CHECK HARNESS (OPEN CIRCUIT). 
  1. Disconnect the Keyless Access Control Module connector.
  2. Disconnect the steering lock CM connector.
  3. Disconnect the ID code box connector.
  4. Using the tester, measure the resistance between terminals.

Connector & terminal 
(B574) No. 17 - (B422) No. 2: 
Is the resistance less than 1 Ω? Go to step . Repair or replace the open circuit of harness.
3 CHECK HARNESS (GROUND SHORT CIRCUIT). 
Using a tester, measure the resistance between the Keyless Access Control Module connector and chassis ground.
Connector & terminal 
(B574) No. 17 - Chassis ground: 
Is the resistance 10 kΩ or more? Go to step . Repair or replace the short circuit of the harness.
4 CHECK HARNESS (OPEN CIRCUIT). 
Using a tester, measure the resistance between ID code box connector and chassis ground.
Connector & terminal 
(B422) No. 5 - Chassis ground: 
Is the resistance less than 1 Ω? Go to step . Repair or replace the open circuit of harness.
5 CHECK HARNESS. 
Using a tester, measure the voltage between ID code box connector and chassis ground.
Connector & terminal 
(B422) No. 1 (+) - Chassis ground (-): 
Is the voltage 11 - 14 V? Go to step . Repair or replace the faulty portion of the power supply circuit.
6 CHECK ID CODE BOX. 
  1. Using the Subaru Select Monitor, clear the memory. <Ref. to CLEAR MEMORY MODE .>
  2. Read the DTC using Subaru Select Monitor. <Ref. to READ DIAGNOSTIC TROUBLE CODE (DTC) .>
Is DTC B2785 displayed? Replace the Keyless Access Control Module. <Ref. to Keyless Access Control Module .> Go to step .
7 CHECK STEERING LOCK CM. 
  1. Turn the ignition switch to ON.
  2. Using the Subaru Select Monitor, clear the memory. <Ref. to CLEAR MEMORY MODE .>
  3. Read the DTC using Subaru Select Monitor. <Ref. to READ DIAGNOSTIC TROUBLE CODE (DTC) .>
Is DTC B2789 displayed? Replace the ID code box. <Ref. to ID Code Box .> Even if DTC is displayed, the circuit has returned to a normal condition at this time. Reproduce the failure, and then perform the diagnosis again.
NOTE: In this case, temporary poor contact of connector, temporary open or short circuit of harness may be the cause.