LEMON Manuals: Even more car manuals for everyone: 1960-2025
Home >> Subaru >> 2017 >> WRX STI >> Repair and Diagnosis (Single Page) >> Accessories & Equipment >> Anti-Theft Systems >> Security And Locks - Keyless Access (W/ Push Button Start) (Diagnostics) >> Diagnostic Procedure with Diagnostic Trouble Code (DTC) >> DTC B2275 Engine Start Request Control Circuit
April 5, 2026: LEMON Manuals is launched! Read the announcement.

DTC B2275 Engine Start Request Control Circuit

DTC DETECTING CONDITION: 

TROUBLE SYMPTOM: 

Engine will not start.

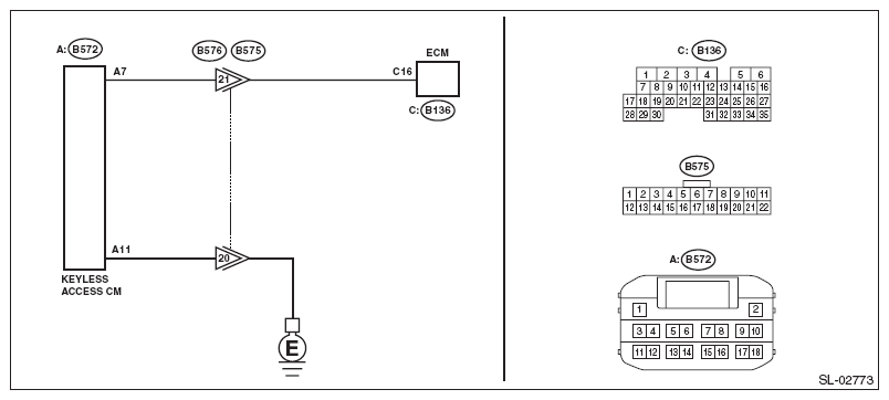
CAUTION: For replacement procedure of Keyless Access Control Module, refer to the "REGISTRATION MANUAL FOR IMMOBILIZER" provided as a separate volume.

WIRING DIAGRAM: 

Push button start system <Ref. to WIRING DIAGRAM , Push Button Start System.>

Fig 2: Engine Start Request Control - Wiring Diagram (Engine Type EJ)
G10271456Courtesy of SUBARU OF AMERICA, INC.
Step Check Yes No
1 CHECK LAN SYSTEM. 
Inspect LAN system. <Ref. to PROCEDURE , Basic Diagnostic Procedure.>
Is the check result OK? Go to step . Perform the inspection according to the diagnosis for LAN system.
2 CHECK FUSE. 
Check the fuse. <Ref. to Relay and Fuse .>
Is the check result OK? Go to step . Replace the fuse. When the replaced fuse is blown immediately, check the power supply circuit for short-circuited.
3 CHECK HARNESS (OPEN CIRCUIT). 
  1. Disconnect the Keyless Access Control Module connector and ECM connector.
  2. Using a tester, measure the resistance between the Keyless Access Control Module connector and ECM.

Connector & terminal 
Engine type: FA 
(B572) No. 7 - (B134) No. 45: 
Engine type: EJ 
(B572) No. 7 - (B136) No. 16: 
Is the resistance less than 1 Ω? Go to step . Repair or replace the open circuit of harness.
4 CHECK HARNESS (OPEN CIRCUIT). 
Using a tester, measure the resistance between the Keyless Access Control Module connector and chassis ground.
Connector & terminal 
(B572) No. 11 - Chassis ground: 
Is the resistance less than 1 Ω? Go to step . Repair or replace the open circuit of harness.
5 CHECK HARNESS (GROUND SHORT CIRCUIT). 
Using a tester, measure the resistance between the Keyless Access Control Module connector and chassis ground.
Connector & terminal 
(B572) No. 7 - Chassis ground: 
Is the resistance 10 kΩ or more? Go to step . Repair or replace the short circuit of the harness.
6 CHECK Keyless Access Control Module. 
  1. Connect the Keyless Access Control Module connector and ECM connector.
  2. Using a tester, measure the voltage between the terminals of Keyless Access Control Module connector.

    Connector & terminal 

    (B572) No. 7 (+) - (B572) No. 11 (-): 

Does the voltage change as 2 V or less → 9 V or more when the push button ignition switch is turned on while depressing the brake pedal with the shift position in P or N (AT model) or while depressing clutch pedal (MT model)? Perform inspection according to the diagnosis of engine. <Ref. to Diagnostics for Engine Starting Failure .> <Ref. to PROCEDURE , Diagnostics for Engine Starting Failure.> Replace the Keyless Access Control Module. <Ref. to Keyless Access Control Module .>