LEMON Manuals: Even more car manuals for everyone: 1960-2025
Home >> Subaru >> 2017 >> WRX STI >> Repair and Diagnosis (Single Page) >> Engine Performance >> System >> Engine Control System (Diagnostics) (P081A To P2097) (2.5L) >> Diagnostic Procedure with Diagnostic Trouble Code (DTC) >> DTC P2016 TGV Position Sensor/Switch Circuit Low Bank 1 >> Notes
April 5, 2026: LEMON Manuals is launched! Read the announcement.

DTC P2016 TGV Position Sensor/Switch Circuit Low Bank 1: Notes

DTC DETECTING CONDITION: 

Immediately at fault recognition

TROUBLE SYMPTOM: 

CAUTION: After servicing or replacing faulty parts, perform Clear Memory Mode <Ref. to OPERATION , Clear Memory Mode.>, and Inspection Mode <Ref. to PROCEDURE , Inspection Mode.>.

WIRING DIAGRAM: 

Engine Electrical System <Ref. to WIRING DIAGRAM , Engine Electrical System.>

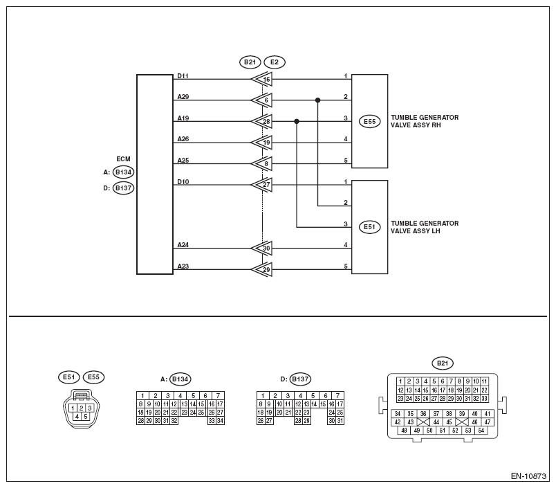
Fig 1: TGV Control Circuit/Open Bank 1 Wiring Diagram
G10265870Courtesy of SUBARU OF AMERICA, INC.
Step Check Yes No
1 CHECK CURRENT DATA. 
  1. Start the engine.
  2. Read the value of «TGV Position Sensor R» using the Subaru Select Monitor.
NOTE: For detailed operation procedures, refer to "Read Current Data For Engine". <Ref. to Subaru Select Monitor .>
Is the value of «TGV Position Sensor R» less than 0.2 V? Go to step . Even if DTC is detected, the circuit has returned to a normal condition at this time. Reproduce the failure, and then perform the diagnosis again.
NOTE: In this case, temporary poor contact of connector, temporary open or short circuit of harness may be the cause.
2 CHECK POWER SUPPLY OF TUMBLE GENERATOR VALVE ASSEMBLY RH. 
  1. Turn the ignition switch to OFF.
  2. Disconnect the connector from tumble generator valve assembly RH.
  3. Turn the ignition switch to ON.
  4. Measure the voltage between tumble generator valve assembly RH connector and engine ground.

    Connector & terminal 

    (E55) No. 3 (+) - Engine ground (-): 

Is the voltage 4.5 V or more? Go to step . Repair the harness and connector.
NOTE: In this case, repair the following item:
  • Open circuit in harness between ECM connector and tumble generator valve assembly RH connector
  • Poor contact of ECM connector
  • Poor contact of coupling connector
3 CHECK HARNESS BETWEEN ECM AND TUMBLE GENERATOR VALVE ASSEMBLY RH CONNECTOR. 
  1. Turn the ignition switch to OFF.
  2. Disconnect the connector from ECM.
  3. Measure the resistance of harness between ECM connector and tumble generator valve assembly RH connector.

    Connector & terminal 

    (B137) No. 11 - (E55) No. 1: 

Is the resistance less than 1 Ω? Go to step . Repair the harness and connector.
NOTE: In this case, repair the following item:
  • Open circuit in harness between ECM connector and tumble generator valve assembly RH connector
  • Poor contact of coupling connector
4 CHECK HARNESS BETWEEN ECM AND TUMBLE GENERATOR VALVE ASSEMBLY RH CONNECTOR. 
Measure the resistance between ECM connector and chassis ground.
Connector & terminal 
(B137) No. 11 - Chassis ground: 
Is the resistance 1 MΩ or more? Go to step . Repair the short circuit to ground in harness between ECM connector and tumble generator valve assembly RH connector.
5 CHECK FOR POOR CONTACT. 
Check for poor contact of ECM and tumble generator valve assembly RH connector.
Is there poor contact of ECM or the tumble generator valve assembly RH connector? Repair the poor contact of ECM or tumble generator valve assembly RH connector. Replace the tumble generator valve assembly RH. <Ref. to Tumble Generator Valve Assembly .>