LEMON Manuals: Even more car manuals for everyone: 1960-2025
Home >> Subaru >> 2017 >> WRX STI >> Repair and Diagnosis (Single Page) >> Engine Performance >> System >> Engine Control System (Diagnostics) (P2101 To U0423) (2.5L) >> Diagnostic Procedure with Diagnostic Trouble Code (DTC) >> DTC P2271 O2 Sensor Signal Biased/Stuck Rich Bank 1 Sensor 2 >> Notes
April 5, 2026: LEMON Manuals is launched! Read the announcement.

DTC P2271 O2 Sensor Signal Biased/Stuck Rich Bank 1 Sensor 2: Notes

DTC DETECTING CONDITION: 

Detected when two consecutive driving cycles with fault occur.

CAUTION: After servicing or replacing faulty parts, perform Clear Memory Mode <Ref. to OPERATION , Clear Memory Mode.>, and Inspection Mode <Ref. to PROCEDURE , Inspection Mode.>.

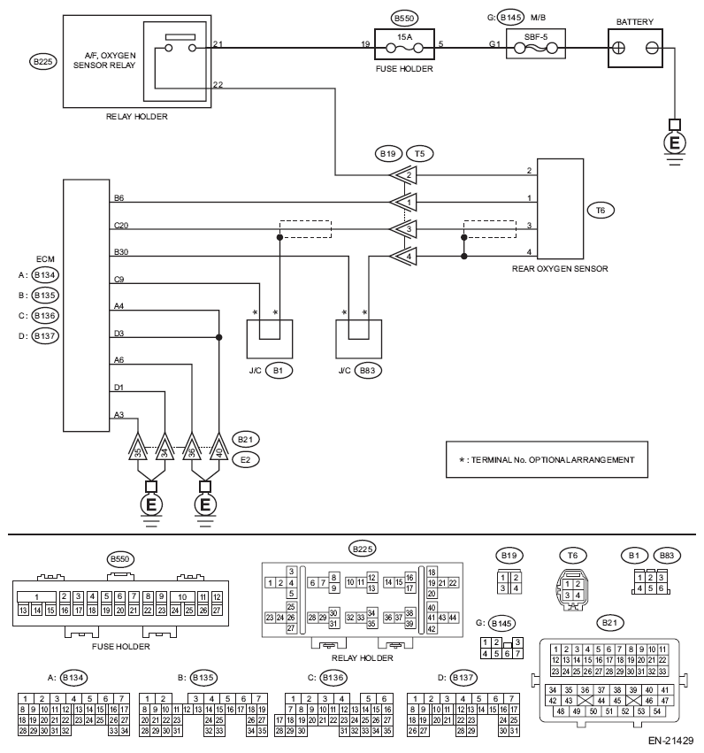
WIRING DIAGRAM: 

Engine Electrical System <Ref. to WIRING DIAGRAM , Engine Electrical System.>

Fig 1: Bank 1 Air-Fuel Ratio Imbalance Wiring Diagram (2 Of 3)
G11574217Courtesy of SUBARU OF AMERICA, INC.
Step Check Yes No
1 CHECK REAR OXYGEN SENSOR CONNECTOR.  Has water entered the connector? Completely remove any water inside. Go to step 2. 
2 CHECK HARNESS BETWEEN ECM AND REAR OXYGEN SENSOR CONNECTOR. 
  1. Turn the ignition switch to OFF.
  2. Disconnect the connector from ECM.
  3. Disconnect the connector from rear oxygen sensor.
  4. Measure the resistance of harness between ECM connector and rear oxygen sensor connector.

Connector & terminal 
(B136) No. 20 - (T6) No. 3: 
(B135) No. 30 - (T6) No. 4: 
Is the resistance less than 1 Ω? Go to step 3.  Repair the harness and connector.
NOTE: In this case, repair the following item:
  • Open circuit in harness between ECM connector and rear oxygen sensor connector
  • Poor contact of coupling connector
3 CHECK HARNESS BETWEEN ECM AND REAR OXYGEN SENSOR CONNECTOR. 
Measure the resistance between ECM connector and chassis ground.
Connector & terminal 
(B136) No. 20 - Chassis ground: 
Is the resistance 1 MΩ or more? Go to step 4.  Repair the short circuit to ground in harness between ECM connector and rear oxygen sensor connector.
4 CHECK EXHAUST SYSTEM. 
Check exhaust system parts.
NOTE: Check the following items.
  • Looseness and improper fitting of exhaust system parts
  • Damage (crack, hole etc.) of parts
  • Damage (crack, hole etc.) between front oxygen (A/F) sensor and rear oxygen sensor
Is there any fault in exhaust system? Repair or replace faulty parts. Replace the rear oxygen sensor. <Ref. to Rear Oxygen Sensor .>