LEMON Manuals: Even more car manuals for everyone: 1960-2025
Home >> Subaru >> 2017 >> WRX STI >> Repair and Diagnosis (Single Page) >> Engine Performance >> Testing & Diagnosis >> Engine Control System (Diagnostics) (P0171 To P0685) (2.5L) >> Diagnostic Procedure with Diagnostic Trouble Code (DTC) >> DTC P062F Internal Control Module EEPROM Error >> Component Description
April 5, 2026: LEMON Manuals is launched! Read the announcement.

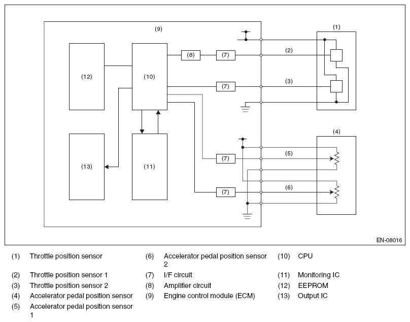
Component Description

Fig 1: Internal Control Module EEPROM Error Wiring Diagram
G11574358Courtesy of SUBARU OF AMERICA, INC.