LEMON Manuals: Even more car manuals for everyone: 1960-2025
Home >> Subaru >> 2018 >> Crosstrek Base, Standard Trans >> Repair and Diagnosis >> Engine Performance >> System >> Engine Control System (Diagnostics) (2 Of 4) >> Diagnostic Procedure with Diagnostic Trouble Code (DTC) >> DTC P0458: EVAP System (CPC) Purge Control Valve "A" Circuit Low >> Notes
April 5, 2026: LEMON Manuals is launched! Read the announcement.

DTC P0458: EVAP System (CPC) Purge Control Valve "A" Circuit Low: Notes

DTC detecting condition: 

Detected when two consecutive driving cycles with fault occur.

Trouble symptom: 

Improper idling

CAUTION: Use the check board when measuring the ECM terminal voltage and resistance. Ref. to ENGINE (DIAGNOSTICS) (H4DO)>General Description>PREPARATION TOOL>HOW TO USE CHECK BOARD .

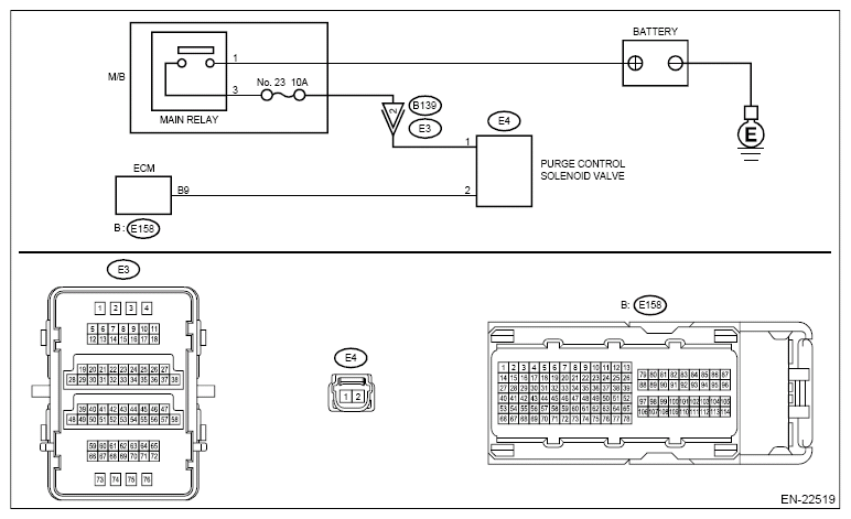
Wiring diagram: 

Engine Electrical System Ref. to WIRING SYSTEM (CROSSTREK MODEL)>Engine Electrical System>WIRING DIAGRAM .

G12400077Courtesy of SUBARU OF AMERICA, INC.
  1. CHECK OUTPUT SIGNAL OF ECM (SHORT TO POWER SUPPLY)  .
    1. Turn the ignition switch to ON.
    2. Measure the voltage between ECM connector and chassis ground.

      Connector & terminal 

      (E158) No. 9 (+) - Chassis ground (-):

    Is the voltage 10 V or more?

    Yes:  Go to  2.

    No:  Go to  3.

  2. CHECK FOR POOR CONTACT  .

    Check for poor contact of ECM connector.

    Is there poor contact of ECM connector?

    Yes:  Repair the poor contact of ECM connector.

    No:  Even if DTC is detected, the circuit has returned to a normal condition at this time.

    Reproduce the failure, and then perform the diagnosis again.

    NOTE: In this case, temporary open or short circuit of harness or temporary poor contact of connector may be the cause.
  3. CHECK POWER SUPPLY TO PURGE CONTROL SOLENOID VALVE (OPEN)  .

    Measure the voltage between purge control solenoid valve connector and engine ground.

    Connector & terminal 

    (E4) No. 1 (+) - Engine ground (-):

    Is the voltage 10 V or more?

    Yes:  Go to  4.

    No:  Repair the power supply circuit.

  4. CHECK HARNESS BETWEEN ECM AND PURGE CONTROL SOLENOID VALVE (SHORT TO GROUND)  .
    1. Turn the ignition switch to OFF.
    2. Disconnect the connector from ECM.
    3. Disconnect the connector from the purge control solenoid valve.
    4. Measure the resistance between the purge control solenoid valve connector and engine ground.

      Connector & terminal 

      (E4) No. 2 - Engine ground:

    Is the resistance 1 MΩ or more?

    Yes:  Go to  5.

    No:  Repair the short circuit to ground in harness between ECM connector and purge control solenoid valve connector.

  5. CHECK HARNESS BETWEEN ECM AND PURGE CONTROL SOLENOID VALVE (OPEN)  .

    Measure the resistance of harness between ECM connector and purge control solenoid valve.

    Connector & terminal 

    (E158) No. 9 - (E4) No. 2:

    Is the resistance less than 1 Ω?

    Yes:  Go to  6.

    No:  Repair the open circuit in harness between ECM connector and purge control solenoid valve connector.

  6. CHECK PURGE CONTROL SOLENOID VALVE  .
    1. Remove the purge control solenoid valve.
    2. Measure the resistance between purge control solenoid valve terminals.

      Terminals 

      No. 1 - No. 2:

    Is the resistance 10 - 100 Ω?

    Yes:  Repair the poor contact of purge control solenoid valve connector.

    No:  Replace the purge control solenoid valve. Ref. to EMISSION CONTROL (AUX. EMISSION CONTROL DEVICES) (H4DO)>PURGE CONTROL SOLENOID VALVE .