LEMON Manuals: Even more car manuals for everyone: 1960-2025
Home >> Subaru >> 2018 >> Crosstrek Base, Standard Trans >> Repair and Diagnosis >> Engine Performance >> System >> Engine Control System (Diagnostics) (2 Of 4) >> Diagnostic Procedure with Diagnostic Trouble Code (DTC) >> DTC P0512: Starter (Switch) Request Circuit >> Notes
April 5, 2026: LEMON Manuals is launched! Read the announcement.

DTC P0512: Starter (Switch) Request Circuit: Notes

DTC detecting condition: 

Immediately at fault recognition

Trouble symptom: 

Failure of engine to start

CAUTION: Use the check board when measuring the ECM terminal voltage and resistance. Ref. to ENGINE (DIAGNOSTICS) (H4DO)>General Description>PREPARATION TOOL>HOW TO USE CHECK BOARD .
NOTE: After the faulty parts are repaired or replaced, perform the final check in Basic Diagnostic Procedure. Ref. to ENGINE (DIAGNOSTICS) (H4DO)>Basic Diagnostic Procedure>PROCEDURE .
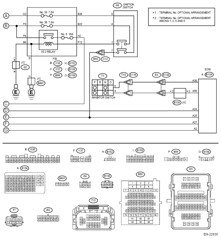
G12400083Courtesy of SUBARU OF AMERICA, INC.
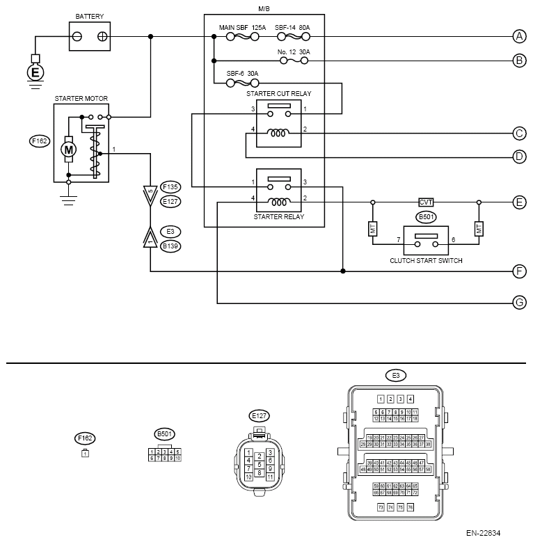
G12400084Courtesy of SUBARU OF AMERICA, INC.
  1. CHECK DTC  .
    1. Using the Subaru Select Monitor or a general scan tool, perform the clear memory of [Engine]. Ref. to COMMON (diag)>CLEAR MEMORY .

      Clear Memory 

    2. Start and idle the engine for three minutes or more.
    3. Using the Subaru Select Monitor or a general scan tool, read the DTC of [Engine]. Ref. to ENGINE (DIAGNOSTICS) (H4DO)>DIAGNOSTIC TROUBLE CODE (DTC) .

      Data Monitor 

      Ref. to ENGINE (DIAGNOSTICS) (H4DO)>DIAGNOSTIC TROUBLE CODE (DTC) .

    Is DTC P0512 displayed? (Current malfunction)

    Yes:  Go to  2.

    No:  Even if DTC is detected, the circuit has returned to a normal condition at this time. Reproduce the failure, and then perform the diagnosis again. In this case, a malfunction may be detected by continuously holding the ignition key at START position.

  2. CHECK HARNESS BETWEEN ECM AND IGNITION SWITCH (SHORT TO POWER SUPPLY)  .
    1. Turn the ignition switch to OFF.
    2. Disconnect the connector from ECM.
    3. Turn the ignition switch to ON.
    4. Measure the voltage between ECM connector and engine ground.

      Connector & terminal 

      (B134) No. 25 (+) - Engine ground (-):

    Is the voltage 10 V or more?

    Yes:  Repair the short circuit to power supply in harness between ECM connector and ignition switch connector.

    No:  Repair the poor contact of ECM connector.

  1. CHECK PUSH BUTTON IGNITION SWITCH  .

    Check the push button ignition switch. Ref. to SECURITY AND LOCKS>Push Button Ignition Switch>INSPECTION .

    Is the check result OK?

    Yes:  Go to  2.

    No:  Replace the push button ignition switch. Ref. to SECURITY AND LOCKS>PUSH BUTTON IGNITION SWITCH .

  2. CHECK DTC  .
    1. Using the Subaru Select Monitor or a general scan tool, perform the clear memory of [Engine]. Ref. to COMMON (diag)>CLEAR MEMORY .

      Clear Memory 

    2. Start and idle the engine for three minutes or more.
    3. Using the Subaru Select Monitor or a general scan tool, read the DTC of [Engine]. Ref. to ENGINE (DIAGNOSTICS) (H4DO)>DIAGNOSTIC TROUBLE CODE (DTC) .

      DTC Check 

      Ref. to ENGINE (DIAGNOSTICS) (H4DO)>DIAGNOSTIC TROUBLE CODE (DTC) .

    Is DTC P0512 displayed? (Current malfunction)

    Yes:  Go to  3.

    No:  Even if DTC is detected, the circuit has returned to a normal condition at this time.

    Reproduce the failure, and then perform the diagnosis again.

  3. CHECK HARNESS BETWEEN ECM AND KEYLESS ACCESS CONTROL MODULE (SHORT TO POWER SUPPLY)  .
    1. Turn the ignition to OFF.
    2. Disconnect the connector from ECM.
    3. Turn the ignition to ON.
    4. Measure the voltage between ECM connector and chassis ground.

      Connector & terminal 

      (B134) No. 25 (+) - Chassis ground (-):

    Is the voltage 10 V or more?

    Yes:  Repair the short circuit to power supply in harness between ECM connector and keyless access CONTROL MODULE connector.

    No:  Repair the poor contact of ECM connector.