LEMON Manuals: Even more car manuals for everyone: 1960-2025
Home >> Subaru >> 2018 >> Crosstrek Base, Standard Trans >> Repair and Diagnosis >> Engine Performance >> System >> Engine Control System (Diagnostics) (4 Of 4) >> Diagnostic Procedure with Diagnostic Trouble Code (DTC) >> DTC P2123: Throttle/Pedal Position Sensor/Switch "D" Circuit High >> Notes
April 5, 2026: LEMON Manuals is launched! Read the announcement.

DTC P2123: Throttle/Pedal Position Sensor/Switch "D" Circuit High: Notes

DTC detecting condition: 

Immediately at fault recognition

Trouble symptom: 

CAUTION: Use the check board when measuring the ECM terminal voltage and resistance. Ref. to ENGINE (DIAGNOSTICS) (H4DO)>General Description>PREPARATION TOOL>HOW TO USE CHECK BOARD .
NOTE: After the faulty parts are repaired or replaced, perform the final check in Basic Diagnostic Procedure. Ref. to ENGINE (DIAGNOSTICS) (H4DO)>Basic Diagnostic Procedure>PROCEDURE .

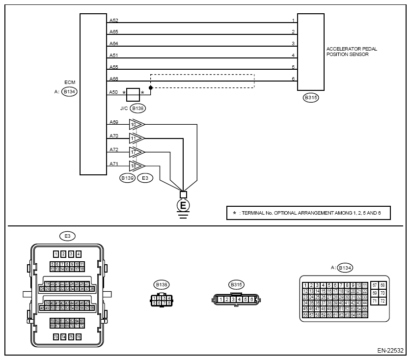
Wiring diagram: 

Engine Electrical System Ref. to WIRING SYSTEM (CROSSTREK MODEL)>Engine Electrical System>WIRING DIAGRAM .

G12400171Courtesy of SUBARU OF AMERICA, INC.
  1. CHECK HARNESS BETWEEN ECM AND ACCELERATOR PEDAL POSITION SENSOR (OPEN)  .
    1. Turn the ignition switch to OFF.
    2. Disconnect the connector from ECM.
    3. Disconnect the connector from the accelerator pedal position sensor.
    4. Measure the resistance of harness between ECM connector and accelerator pedal position sensor connector.

      Connector & terminal 

      (B134) No. 66 - (B315) No. 6:

      (B134) No. 55 - (B315) No. 5:

    Is the resistance less than 1 Ω?

    Yes:  Go to  2.

    No:  Repair the open circuit of harness between ECM connector and accelerator pedal position sensor connector.

  2. CHECK HARNESS BETWEEN ECM AND ACCELERATOR PEDAL POSITION SENSOR (OPEN)  .
    1. Connect the connector to ECM.
    2. Measure the resistance between accelerator pedal position sensor connector and chassis ground.

      Connector & terminal 

      (B315) No. 5 - Chassis ground:

    Is the resistance less than 5 Ω?

    Yes:  Go to  3.

    No:  Repair the harness and connector.

    NOTE: In this case, repair the following item:
    • Open circuit of harness between ECM connector and engine ground
    • Poor contact of ECM connector
  3. CHECK HARNESS BETWEEN ECM AND ACCELERATOR PEDAL POSITION SENSOR (SHORT TO POWER SUPPLY)  .
    1. Turn the ignition switch to ON.
    2. Measure the voltage between accelerator pedal position sensor connector and chassis ground.

      Connector & terminal 

      (B315) No. 6 (+) - Chassis ground (-):

    Is the voltage 5 V or more?

    Yes:  Repair the short circuit to power supply in harness between ECM connector and accelerator pedal position sensor connector.

    No:  Go to  4.

  4. CHECK HARNESS BETWEEN ECM AND ACCELERATOR PEDAL POSITION SENSOR (SHORT BETWEEN LINES)  .
    1. Turn the ignition switch to OFF.
    2. Disconnect the connector from ECM.
    3. Measure the resistance between ECM connectors.

      Connector & terminal 

      (B134) No. 51 - (B134) No. 66:

    Is the resistance 1 MΩ or more?

    Yes:  Repair the poor contact of accelerator pedal position sensor connector. Replace the accelerator pedal if defective. Ref. to SPEED CONTROL SYSTEMS (H4DO)>ACCELERATOR PEDAL .

    No:  Repair the short circuit between lines in harness between ECM connector and accelerator pedal position sensor connector.