LEMON Manuals: Even more car manuals for everyone: 1960-2025
Home >> Subaru >> 2018 >> Crosstrek Base, Standard Trans >> Repair and Diagnosis >> Engine Performance >> System >> Engine Control System (Diagnostics) (4 Of 4) >> Diagnostic Procedure with Diagnostic Trouble Code (DTC) >> DTC P2195: A/F/O2 Sensor Signal Biased/Stuck Lean Bank 1 Sensor 1 >> Notes
April 5, 2026: LEMON Manuals is launched! Read the announcement.

DTC P2195: A/F/O2 Sensor Signal Biased/Stuck Lean Bank 1 Sensor 1: Notes

DTC detecting condition: 

Detected when two consecutive driving cycles with fault occur.

CAUTION: Use the check board when measuring the ECM terminal voltage and resistance. Ref. to ENGINE (DIAGNOSTICS) (H4DO)>General Description>PREPARATION TOOL>HOW TO USE CHECK BOARD .
NOTE: After the faulty parts are repaired or replaced, perform the final check in Basic Diagnostic Procedure. Ref. to ENGINE (DIAGNOSTICS) (H4DO)>Basic Diagnostic Procedure>PROCEDURE .

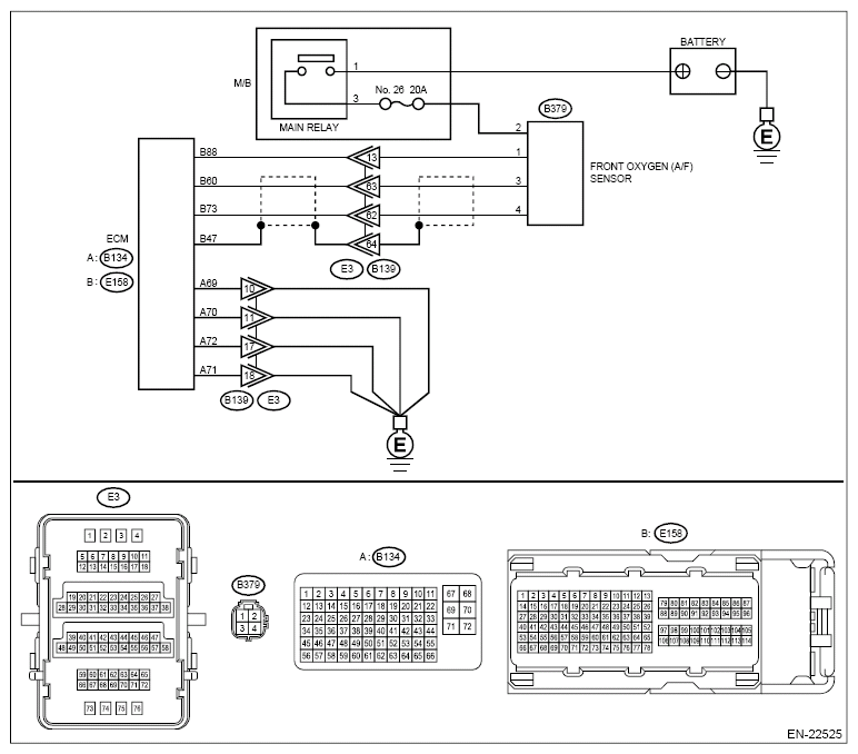
Wiring diagram: 

Engine Electrical System Ref. to WIRING SYSTEM (CROSSTREK MODEL)>Engine Electrical System>WIRING DIAGRAM .

G12399954Courtesy of SUBARU OF AMERICA, INC.
  1. CHECK FRONT OXYGEN (A/F) SENSOR CONNECTOR AND COUPLING CONNECTOR  .

    Check the front oxygen (A/F) sensor connector and coupling connector.

    Has water entered the connector?

    Yes:  Completely remove any water inside.

    No:  Go to  2.

  2. CHECK HARNESS BETWEEN ECM AND FRONT OXYGEN (A/F) SENSOR (SHORT TO GROUND)  .
    1. Turn the ignition switch to OFF.
    2. Disconnect the connector from ECM.
    3. Measure the resistance between ECM connector and chassis ground.

      Connector & terminal 

      (E158) No. 60 - Chassis ground:

      (E158) No. 73 - Chassis ground:

    Is the resistance 1 MΩ or more?

    Yes:  Go to  3.

    No:  Repair the short circuit to ground in harness between ECM connector and front oxygen (A/F) sensor connector.

  3. CHECK OUTPUT SIGNAL FOR ECM  .
    1. Connect the connector to ECM.
    2. Turn the ignition switch to ON.
    3. Measure the voltage between ECM connector and chassis ground.

      Connector & terminal 

      (E158) No. 60 (+) - Chassis ground (-):

    Is the voltage 4.5 V or more?

    Yes:  Go to  5.

    No:  Go to  4.

  4. CHECK OUTPUT SIGNAL FOR ECM  .

    Measure the voltage between ECM connector and chassis ground.

    Connector & terminal 

    (E158) No. 73 (+) - Chassis ground (-):

    Is the voltage 4.95 V or more?

    Yes:  Go to  5.

    No:  Replace the front oxygen (A/F) sensor. Ref. to FUEL INJECTION (FUEL SYSTEMS) (H4DO)>FRONT OXYGEN (A/F) SENSOR .

  5. CHECK OUTPUT SIGNAL FOR ECM  .

    Measure the voltage between ECM connector and chassis ground.

    Connector & terminal 

    (E158) No. 60 (+) - Chassis ground (-):

    (E158) No. 73 (+) - Chassis ground (-):

    Is the voltage 8 V or more?

    Yes:  Repair the short circuit to power in the harness between ECM connector and front oxygen (A/F) sensor connector. After repair, replace the ECM. Ref. to FUEL INJECTION (FUEL SYSTEMS) (H4DO)>ENGINE CONTROL MODULE (ECM) .

    No:  Repair the poor contact of ECM connector.