LEMON Manuals: Even more car manuals for everyone: 1960-2025
Home >> Subaru >> 2018 >> Outback 3.6R Limited >> Repair and Diagnosis (Single Page) >> Engine Performance >> System >> Engine Control System (Diagnostics) (P0171 To P0685) (H6DO) >> Diagnostic Procedure With Diagnostic Trouble Code (DTC) >> DTC P0606: Control Module Processor >> Component Description
April 5, 2026: LEMON Manuals is launched! Read the announcement.

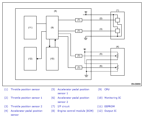
Component Description

G12410248Courtesy of SUBARU OF AMERICA, INC.