LEMON Manuals: Even more car manuals for everyone: 1960-2025
Home >> Subaru >> 2018 >> Outback 3.6R Limited >> Repair and Diagnosis (Single Page) >> Engine Performance >> System >> Engine Control System (Diagnostics) (P2101 To U1712) (H6DO) >> Diagnostic Procedure With Diagnostic Trouble Code (DTC) >> DTC P2273: O2 Sensor Signal Biased/Stuck Rich Bank 2 Sensor 2 >> Notes
April 5, 2026: LEMON Manuals is launched! Read the announcement.

DTC P2273: O2 Sensor Signal Biased/Stuck Rich Bank 2 Sensor 2: Notes

DTC detecting condition: 

Detected when two consecutive driving cycles with fault occur.

CAUTION: After servicing or replacing faulty parts, perform Clear Memory Mode Ref. to ENGINE (DIAGNOSTICS) (H6DO)>Clear Memory Mode>OPERATION , and inspection mode Ref. to ENGINE (DIAGNOSTICS) (H6DO)>Inspection Mode>PROCEDURE .

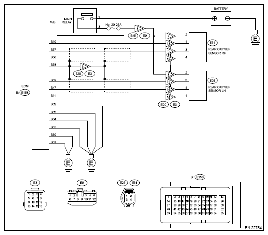
Wiring diagram: 

Engine Electrical System Ref. to WIRING SYSTEM>Engine Electrical System>WIRING DIAGRAM

G12410324Courtesy of SUBARU OF AMERICA, INC.
  1. CHECK REAR OXYGEN SENSOR CONNECTOR. 

    Check the rear oxygen sensor connector and coupling connector.

    Has water entered the connector?

    Yes:  Completely remove any water inside.

    No:  Go to  2

  2. CHECK HARNESS BETWEEN ECM AND REAR OXYGEN SENSOR CONNECTOR. 
    1. Turn the ignition switch to OFF.
    2. Disconnect the connector from ECM.
    3. Disconnect the connector from the rear oxygen sensor LH.
    4. Measure the resistance of harness between ECM connector and rear oxygen sensor connector.

      Connector & terminal 

      (E158) No. 59 - (E25) No. 3:

      (E158) No. 47 - (E25) No. 4:

    Is the resistance less than 1 Ω?

    Yes:  Go to  3

    No:  Repair the open circuit of harness between ECM connector and rear oxygen sensor connector.

  3. CHECK HARNESS BETWEEN ECM AND REAR OXYGEN SENSOR CONNECTOR. 

    Measure the resistance between the ECM connector and engine ground.

    Connector & terminal 

    (E158) No. 47 - Engine ground:

    Is the resistance 1 MΩ or more?

    Yes:  Go to  4

    No:  Repair the short circuit to ground in harness between ECM connector and rear oxygen sensor connector.

  4. CHECK EXHAUST SYSTEM. 

    Check exhaust system parts.

    NOTE: Check the following items.
    • Looseness and improper fitting of exhaust system parts
    • Damage (crack, hole etc.) of parts
    • Damage (crack, hole etc.) between front oxygen (A/F) sensor and rear oxygen sensor LH

    Is there any fault in exhaust system?

    Yes:  Repair or replace faulty parts.

    No:  Replace the rear oxygen sensor LH. Ref. to FUEL INJECTION (FUEL SYSTEMS) (H6DO)>REAR OXYGEN SENSOR