LEMON Manuals: Even more car manuals for everyone: 1960-2025
Home >> Subaru >> 2018 >> WRX Base >> Repair and Diagnosis >> Engine Performance >> System >> Engine Control System (Diagnostics) (3 Of 4) (Except For STI) >> Diagnostic Procedure with Diagnostic Trouble Code (DTC) >> DTC P0851: Park/Neutral Switch Input Circuit Low >> CVT Model
April 5, 2026: LEMON Manuals is launched! Read the announcement.

CVT Model

DTC detecting condition: 

Detected when two consecutive driving cycles with fault occur.

Trouble symptom: 

Improper idling

CAUTION:

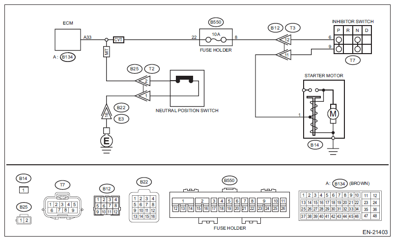
Wiring diagram: 

Engine Electrical System Ref. to WIRING SYSTEM>Engine Electrical System>WIRING DIAGRAM .

G11577214Courtesy of SUBARU OF AMERICA, INC.
  1. CHECK SELECT CABLE  .

    Check the select cable.

    Is there any fault in select cable?

    Yes: Repair or adjust the select cable. Ref. to CONTROL SYSTEMS>Select Cable .

    No: Go to  2.

  2. CHECK INPUT SIGNAL OF ECM  .
    1. Turn the ignition switch to ON.
    2. Place the select lever in other than "P" range and "N" range.
    3. Measure the voltage between ECM connector and chassis ground.

      Connector & terminal 

      (B134) No. 33 (+) - Chassis ground (-):

    Is the voltage 10 V or more?

    Yes: Repair the poor contact of ECM connector.

    No: Go to  3.

  3. CHECK HARNESS BETWEEN ECM AND TRANSMISSION HARNESS CONNECTOR  .
    1. Turn the ignition switch to OFF.
    2. Disconnect the connector from ECM.
    3. Disconnect the connector from the transmission harness connector (T3).
    4. Measure the resistance between ECM connector and chassis ground.

      Connector & terminal 

      (B134) No. 33 - Chassis ground:

    Is the resistance 1 MΩ or more?

    Yes: Go to  4.

    No: Repair the short circuit to ground in harness between ECM connector and transmission harness connector.

  4. CHECK TRANSMISSION HARNESS CONNECTOR  .
    1. Disconnect the connector from inhibitor switch.
    2. Measure the resistance between transmission harness connector and engine ground.

      Connector & terminal 

      (T3) No. 12 - Engine ground:

    Is the resistance 1 MΩ or more?

    Yes: Replace the inhibitor switch. Ref. to CONTINUOUSLY VARIABLE TRANSMISSION(TR690)>Inhibitor Switch .

    No: Repair short circuit to ground in harness between transmission harness connector and inhibitor switch connector.