DTC P2097: Post Catalyst Fuel Trim System Too Rich Bank 1: Notes
DTC detecting condition:
Detected when two consecutive driving cycles with fault occur.
- After servicing or replacing faulty parts, perform Clear Memory Mode Ref. to ENGINE (DIAGNOSTICS) (EXCEPT FOR STI)>Clear Memory Mode>OPERATION , and inspection mode Ref. to ENGINE (DIAGNOSTICS) (EXCEPT FOR STI)>Inspection Mode>PROCEDURE .
- Use the check board when measuring the ECM terminal voltage and resistance.
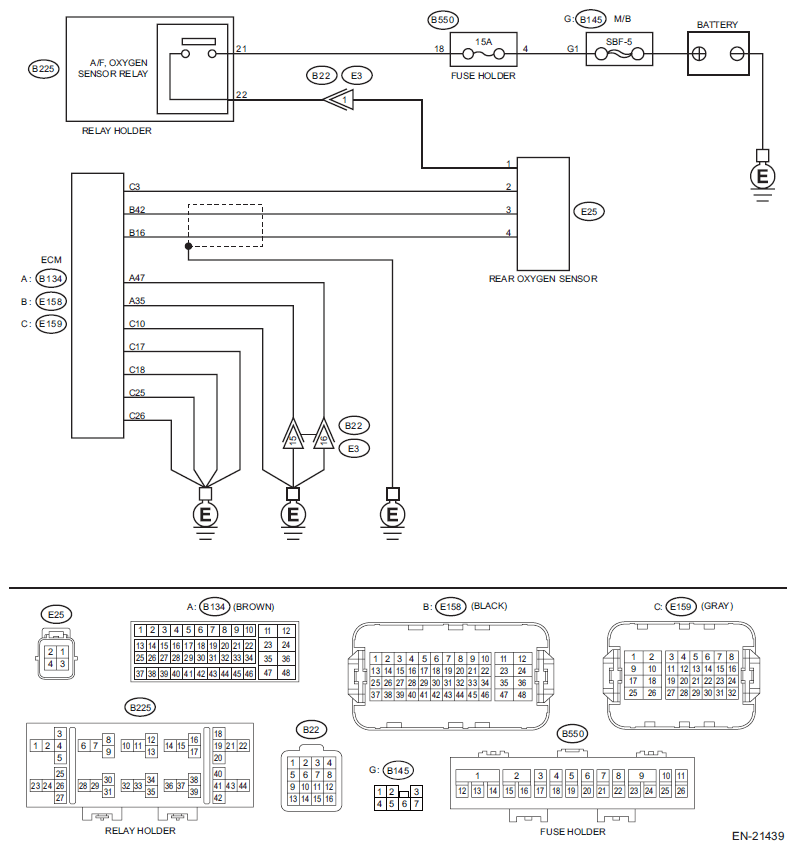
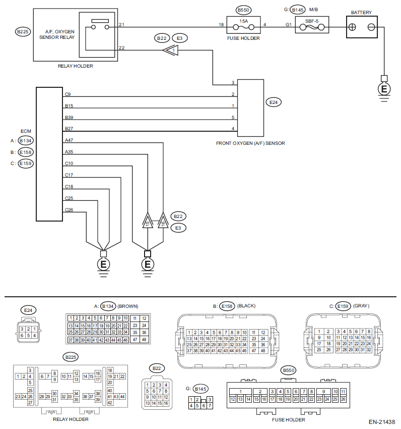
Wiring diagram:
Engine Electrical System Ref. to WIRING SYSTEM>Engine Electrical System>WIRING DIAGRAM .
- CHECK DTC
.
Read the engine DTC using the Subaru Select Monitor or general scan tool. Ref. to ENGINE (DIAGNOSTICS) (EXCEPT FOR STI)>Read Diagnostic Trouble Code (DTC) .
Is DTC other than P2097 displayed? (Current malfunction)
Yes: Check DTC using "List of Diagnostic Trouble Code (DTC)". Ref. to ENGINE (DIAGNOSTICS) (EXCEPT FOR STI)>List of Diagnostic Trouble Code (DTC) .
No: Go to 2.
- CHECK FRONT OXYGEN (A/F) SENSOR CONNECTOR
.
Check the front oxygen (A/F) sensor connector.
Has water entered the connector?
Yes: Completely remove any water inside.
No: Go to 3.
- CHECK HARNESS BETWEEN ECM AND FRONT OXYGEN (A/F) SENSOR CONNECTOR
.
- Turn the ignition switch to OFF.
- Disconnect the connector from ECM.
- Disconnect the connectors from front oxygen (A/F) sensor.
- Measure the resistance of harness between ECM connector and front oxygen (A/F) sensor connector.
Connector & terminal
(E158) No. 15 - (E24) No. 1:
(E158) No. 27 - (E24) No. 4:
(E158) No. 39 - (E24) No. 5:
Is the resistance less than 1 Ω?
Yes: Go to 4.
No: Repair the harness and connector.
NOTE: In this case, repair the following item:- Open circuit in harness between ECM connector and front oxygen (A/F) sensor connector
- Poor contact of coupling connector
- CHECK HARNESS BETWEEN ECM AND FRONT OXYGEN (A/F) SENSOR CONNECTOR
.
Measure the resistance between ECM connector and chassis ground.
Connector & terminal
(E158) No. 15 - Chassis ground:
(E158) No. 27 - Chassis ground:
(E158) No. 39 - Chassis ground:
Is the resistance 1 MΩ or more?
Yes: Go to 5.
No: Repair the short circuit to ground in harness between ECM connector and front oxygen (A/F) sensor connector.
- CHECK HARNESS BETWEEN ECM AND FRONT OXYGEN (A/F) SENSOR CONNECTOR
.
- Connect the connector to ECM.
- Turn the ignition switch to ON.
- Measure the voltage between front oxygen (A/F) sensor connector and chassis ground.
Connector & terminal
(E24) No. 1 (+) - Chassis ground (-):
(E24) No. 4 (+) - Chassis ground (-):
(E24) No. 5 (+) - Chassis ground (-):
Is the voltage 8 V or more?
Yes: Repair the short circuit to power in the harness between ECM connector and front oxygen (A/F) sensor connector.
No: Go to 6.
- CHECK EXHAUST SYSTEM
.
Check the exhaust system.
Are there holes or loose bolts on exhaust system?
Yes: Repair the exhaust system.
No: Go to 7.
- CHECK AIR INTAKE SYSTEM
.
Check the air intake system.
Are there holes, loose bolts or disconnection of hose on air intake system?
Yes: Repair the air intake system.
No: Go to 8.
- CHECK FUEL PRESSURE
.WARNING: Place "NO OPEN FLAMES" signs near the working area.CAUTION: Be careful not to spill fuel.
- Connect the front oxygen (A/F) sensor connector.
- Measure the fuel pressure. Ref. to MECHANICAL(EXCEPT FOR STI)>Fuel Pressure>INSPECTION
.CAUTION: Release fuel pressure before removing the fuel pressure gauge.
Is the measured value 328 - 358 kPa (3.3 - 3.7 kgf/cm2 , 48 - 52 psi)?
Yes: Go to 9.
No: Check the fuel pump and fuel delivery line. Ref. to FUEL INJECTION (FUEL SYSTEMS) (EXCEPT FOR STI)>Fuel Pump>INSPECTION . Ref. to FUEL INJECTION (FUEL SYSTEMS) (EXCEPT FOR STI)>Fuel Delivery and Evaporation Lines>INSPECTION .
- CHECK ENGINE COOLANT TEMPERATURE SENSOR
.
- Start the engine and warm up completely.
- Read the value of «Coolant Temp.» using the Subaru Select Monitor or a general scan tool.NOTE:
- Subaru Select Monitor
For detailed operation procedures, refer to "Read Current Data For Engine". Ref. to ENGINE (DIAGNOSTICS) (EXCEPT FOR STI)>Subaru Select Monitor .
- General scan tool
For detailed operation procedures, refer to the general scan tool operation manual.
- Subaru Select Monitor
Is the value of «Coolant Temp.» 75°C (167°F) or more?
Yes: Go to 10.
No: Replace the engine coolant temperature sensor. Ref. to FUEL INJECTION (FUEL SYSTEMS) (EXCEPT FOR STI)>Engine Coolant Temperature Sensor .
- CHECK MASS AIR FLOW AND INTAKE AIR TEMPERATURE SENSOR
.
- Start the engine and warm up engine until coolant temperature is higher than 75°C (167°F).
- For CVT models, set the select lever to "P" range or "N" range, and for MT models, place the gear shift lever in the neutral position.
- Turn the A/C switch to OFF.
- Turn all the accessory switches to OFF.
- Read the value of «Mass Air Flow» using the Subaru Select Monitor or a general scan tool.NOTE:
- Subaru Select Monitor
For detailed operation procedures, refer to "Read Current Data For Engine". Ref. to ENGINE (DIAGNOSTICS) (EXCEPT FOR STI)>Subaru Select Monitor .
- General scan tool
For detailed operation procedures, refer to the general scan tool operation manual.
- Subaru Select Monitor
Is the value in «Mass Air Flow» 2.0 - 5.0 g/s (0.26 - 0.66 lb/s)?
Yes: Go to 11.
No: Replace the mass air flow and intake air temperature sensor. Ref. to FUEL INJECTION (FUEL SYSTEMS) (EXCEPT FOR STI)>Mass Air Flow and Intake Air Temperature Sensor .
- CHECK MASS AIR FLOW AND INTAKE AIR TEMPERATURE SENSOR
.
- Start the engine and warm up engine until coolant temperature is higher than 75°C (167°F).
- For CVT models, set the select lever to "P" range or "N" range, and for MT models, place the gear shift lever in the neutral position.
- Turn the A/C switch to OFF.
- Turn all the accessory switches to OFF.
- Open the front hood.
- Measure the ambient temperature.
- Read the value of «IAT Sensor #11» using the Subaru Select Monitor or a general scan tool.NOTE:
- Subaru Select Monitor
For detailed operation procedures, refer to "Read Current Data For Engine". Ref. to ENGINE (DIAGNOSTICS) (EXCEPT FOR STI)>Subaru Select Monitor .
- General scan tool
For detailed operation procedures, refer to the general scan tool operation manual.
- Subaru Select Monitor
Subtract ambient temperature value from the value of «IAT Sensor #11». Is the obtained value -10 - 50°C (-18 - 90°F)?
Yes: Go to 12.
No: Check the mass air flow and intake air temperature sensor. Ref. to FUEL INJECTION (FUEL SYSTEMS) (EXCEPT FOR STI)>Mass Air Flow and Intake Air Temperature Sensor .
- CHECK REAR OXYGEN SENSOR DATA
.
- Warm up the engine until engine coolant temperature is higher than 75°C (167°F), and keep the engine speed at 3, 000 rpm. (2 minutes maximum)
- Read the value of «O2 Sensor #12» using the Subaru Select Monitor or a general scan tool.NOTE:
- Subaru Select Monitor
For detailed operation procedures, refer to "Read Current Data For Engine". Ref. to ENGINE (DIAGNOSTICS) (EXCEPT FOR STI)>Subaru Select Monitor .
- General scan tool
For detailed operation procedures, refer to the general scan tool operation manual.
- Subaru Select Monitor
Is the value of «Oxygen sensor #12» 0.490 V or more?
Yes: Go to 13.
No: Go to 14.
- CHECK REAR OXYGEN SENSOR DATA
.
- Warm up the engine until engine coolant temperature is higher than 75°C (167°F), and rapidly reduce the engine speed from 3, 000 rpm.
- Read the value of «O2 Sensor #12» using the Subaru Select Monitor or a general scan tool.NOTE:
- Subaru Select Monitor
For detailed operation procedures, refer to "Read Current Data For Engine". Ref. to ENGINE (DIAGNOSTICS) (EXCEPT FOR STI)>Subaru Select Monitor .
- General scan tool
For detailed operation procedures, refer to the general scan tool operation manual.
- Subaru Select Monitor
Is the value of «Oxygen sensor #12» 0.250 V or less?
Yes: Go to 15.
No: Go to 14.
- CHECK REAR OXYGEN SENSOR CONNECTOR AND COUPLING CONNECTOR
.
Check the rear oxygen sensor connector and coupling connector.
Has water entered the connector?
Yes: Completely remove any water inside.
No: Go to 16.
- CHECK FRONT OXYGEN (A/F) SENSOR USING REAR OXYGEN SENSOR SIGNAL
.
- Warm up the engine until engine coolant temperature is higher than 75°C (167°F), then keep the engine idling for 5 minutes or more.
- Read the value of «O2 Sensor #12» using the Subaru Select Monitor or a general scan tool.NOTE:
- Subaru Select Monitor
For detailed operation procedures, refer to "Read Current Data For Engine". Ref. to ENGINE (DIAGNOSTICS) (EXCEPT FOR STI)>Subaru Select Monitor .
- General scan tool
For detailed operation procedures, refer to the general scan tool operation manual.
- Subaru Select Monitor
Is the value of «Oxygen sensor #12» kept at 0.8 V or more for 5 minutes or more?
Yes: Replace the front oxygen (A/F) sensor. Ref. to FUEL INJECTION (FUEL SYSTEMS) (EXCEPT FOR STI)>Front Oxygen (A/F) Sensor .
No: Go to 16.
- CHECK HARNESS BETWEEN ECM AND REAR OXYGEN SENSOR CONNECTOR
.
- Turn the ignition switch to OFF.
- Disconnect the connector from ECM.
- Disconnect the connector from rear oxygen sensor.
- Measure the resistance of harness between ECM connector and rear oxygen sensor connector.
Connector & terminal
(E158) No. 42 - (E25) No. 3:
(E158) No. 16 - (E25) No. 4:
Is the resistance less than 1 Ω?
Yes: Go to 17.
No: Repair the harness and connector.
NOTE: In this case, repair the following item:- Open circuit in harness between ECM connector and rear oxygen sensor connector
- Poor contact of coupling connector
- CHECK HARNESS BETWEEN ECM AND REAR OXYGEN SENSOR CONNECTOR
.
- Connect the connector to ECM.
- Turn the ignition switch to ON.
- Measure the voltage between rear oxygen sensor connector and chassis ground.
Connector & terminal
(E25) No. 4 (+) - Chassis ground (-):
Is the voltage 0.2 - 0.5 V?
Yes: Replace the rear oxygen sensor. Ref. to FUEL INJECTION (FUEL SYSTEMS) (EXCEPT FOR STI)>Rear Oxygen Sensor .
No: Repair the harness and connector.
NOTE: In this case, repair the following item:- Open circuit in harness between ECM connector and rear oxygen sensor connector
- Poor contact of ECM connector
- Poor contact of coupling connector