LEMON Manuals: Even more car manuals for everyone: 1960-2025
Home >> Subaru >> 2018 >> WRX Base >> Repair and Diagnosis >> Engine Performance >> System >> Engine Control System (Diagnostics) (4 Of 4) (Except For STI) >> Diagnostic Procedure with Diagnostic Trouble Code (DTC) >> DTC P2102: Throttle Actuator "A" Control Motor Circuit Low >> Component Description
April 5, 2026: LEMON Manuals is launched! Read the announcement.

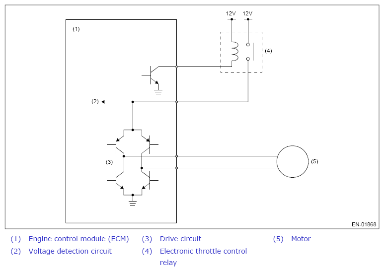
Component Description

G12453993Courtesy of SUBARU OF AMERICA, INC.