LEMON Manuals: Even more car manuals for everyone: 1960-2025
Home >> Subaru >> 2018 >> WRX STI >> Repair and Diagnosis (Single Page) >> Engine Performance >> System >> Engine Control System (Diagnostics) (1 Of 4) (STI) >> Diagnostic Procedure with Diagnostic Trouble Code (DTC) >> DTC P0112: Intake Air Temperature Sensor 1 Circuit Low Bank 1 >> Notes
April 5, 2026: LEMON Manuals is launched! Read the announcement.

DTC P0112: Intake Air Temperature Sensor 1 Circuit Low Bank 1: Notes

DTC detecting condition: 

Immediately at fault recognition

Trouble symptom: 

CAUTION: After servicing or replacing faulty parts, perform Clear Memory Mode Ref. to ENGINE (DIAGNOSTICS) (STI)>Clear Memory Mode>OPERATION , and inspection mode Ref. to ENGINE (DIAGNOSTICS) (STI)>Inspection Mode>PROCEDURE .

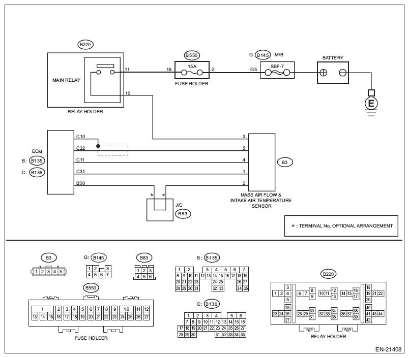
Wiring diagram: 

Engine Electrical System Ref. to WIRING SYSTEM>Engine Electrical System>WIRING DIAGRAM .

G11574226Courtesy of SUBARU OF AMERICA, INC.
  1. CHECK CURRENT DATA  .
    1. Start the engine.
    2. Read the value of «Intake Air Temp.» using the Subaru Select Monitor or a general scan tool.
      NOTE:
      • Subaru Select Monitor

        For detailed operation procedures, refer to "Current Data Display For Engine". Ref. to ENGINE (DIAGNOSTICS) (STI)>Subaru Select Monitor .

      • General scan tool

        For detailed operation procedures, refer to the general scan tool operation manual.

    Is the value of «Intake Air Temp.» 120°C (248°F) or more?

    Yes:  Go to  2

    No:  Even if DTC is detected, the circuit has returned to a normal condition at this time. Reproduce the failure, and then perform the diagnosis again.

    NOTE: In this case, temporary poor contact of connector, temporary open or short circuit of harness may be the cause.
  2. CHECK HARNESS BETWEEN ECM AND MASS AIR FLOW AND INTAKE AIR TEMPERATURE SENSOR CONNECTOR  .
    1. Turn the ignition switch to OFF.
    2. Disconnect the connector from ECM.
    3. Disconnect the connectors from the mass air flow and intake air temperature sensor.
    4. Measure the resistance between ECM connector and chassis ground.

      Connector & terminal 

      (B136) No. 31 - Chassis ground:

    Is the resistance 1 MΩ or more?

    Yes:  Replace the mass air flow and intake air temperature sensor. Ref. to FUEL INJECTION (FUEL SYSTEMS) (STI)>Mass Air Flow and Intake Air Temperature Sensor .

    No:  Repair the ground short circuit of harness between ECM connector and the mass air flow and intake air temperature sensor connector.