LEMON Manuals: Even more car manuals for everyone: 1960-2025
Home >> Subaru >> 2018 >> WRX STI >> Repair and Diagnosis (Single Page) >> Engine Performance >> System >> Engine Control System (Diagnostics) (4 Of 4) (STI) >> Diagnostic Procedure with Diagnostic Trouble Code (DTC) >> DTC P2402: EVAP System Leak Detection Pump Control Circuit High >> Notes
April 5, 2026: LEMON Manuals is launched! Read the announcement.

DTC P2402: EVAP System Leak Detection Pump Control Circuit High: Notes

DTC detecting condition: 

Immediately at fault recognition

CAUTION: After servicing or replacing faulty parts, perform Clear Memory Mode Ref. to ENGINE (DIAGNOSTICS) (STI)>Clear Memory Mode>OPERATION , and inspection mode Ref. to ENGINE (DIAGNOSTICS) (STI)>Inspection Mode>PROCEDURE .

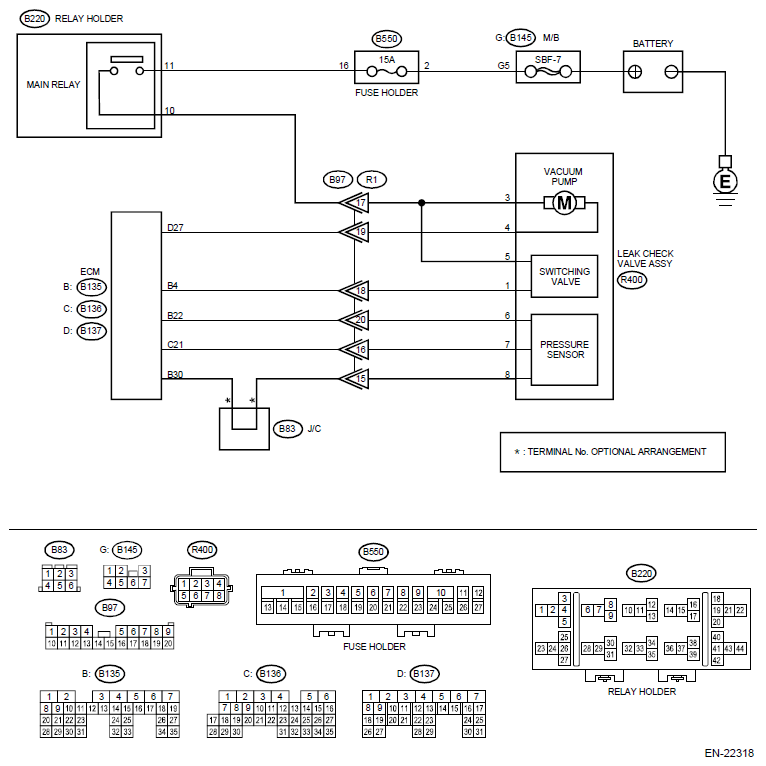
Wiring diagram: 

Engine Electrical System Ref. to WIRING SYSTEM>Engine Electrical System>WIRING DIAGRAM .

G12456934Courtesy of SUBARU OF AMERICA, INC.
  1. CHECK HARNESS BETWEEN ECM AND LEAK CHECK VALVE ASSEMBLY CONNECTOR  .
    1. Turn the ignition switch to OFF.
    2. Disconnect the connector from the leak check valve assembly.
    3. Turn the ignition switch to ON.
    4. Measure the voltage between leak check valve assembly and chassis ground.

      Connector & terminal 

      (R400) No. 4 (+) - Chassis ground (-):

    Is the voltage 10 V or more?

    Yes:  Repair the short circuit to power in harness between ECM connector and leak check valve assembly connector.

    No:  Go to  2

  2. CHECK LEAK CHECK VALVE ASSEMBLY  .
    1. Turn the ignition switch to OFF.
    2. Check the vacuum pump of the leak check valve assembly. Ref. to EMISSION CONTROL (AUX. EMISSION CONTROL DEVICES) (STI)>Leak Check Valve Assembly>INSPECTION>CHECK VACUUM PUMP .

    Is the check result OK?

    Yes:  Repair the poor contact in the leak check valve assembly connector.

    No:  Replace the leak check valve assembly. Ref. to EMISSION CONTROL (AUX. EMISSION CONTROL DEVICES) (STI)>Leak Check Valve Assembly .