LEMON Manuals: Even more car manuals for everyone: 1960-2025
Home >> Subaru >> 2019 >> Ascent Premium >> Repair and Diagnosis >> Engine Performance >> System >> Engine Control System (Diagnostics) (2 Of 4) >> Diagnostic Procedure with Diagnostic Trouble Code (DTC) >> DTC P0340: Camshaft Position Sensor "A" Circuit Bank 1 Or Single Sensor >> Notes
April 5, 2026: LEMON Manuals is launched! Read the announcement.

DTC P0340: Camshaft Position Sensor "A" Circuit Bank 1 Or Single Sensor: Notes

DTC detecting condition: 

Immediately at fault recognition

Trouble symptom: 

CAUTION: Use the check board when measuring the ECM terminal voltage and resistance. Ref. to ENGINE (DIAGNOSTICS) (H4DOTC)>GENERAL DESCRIPTION>PREPARATION TOOL>HOW TO USE CHECK BOARD .
NOTE: After the faulty parts are repaired or replaced, perform the final check in Basic Diagnostic Procedure. Ref. to ENGINE (DIAGNOSTICS) (H4DOTC)>BASIC DIAGNOSTIC PROCEDURE>PROCEDURE .

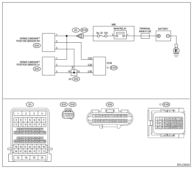
Wiring diagram: 

Engine Electrical System Ref. to WIRING SYSTEM>ENGINE ELECTRICAL SYSTEM .

G13202333Courtesy of SUBARU OF AMERICA, INC.
  1. CHECK INTAKE CAMSHAFT POSITION SENSOR RH POWER SUPPLY. 
    1. Turn the ignition switch to OFF.
    2. Disconnect the connector from the intake camshaft position sensor RH.
    3. Turn the ignition switch to ON.
    4. Measure the voltage between intake camshaft position sensor RH connector and engine ground.

      Connector and terminal. 

      (E36) No. 1 (+) - Engine ground (-):

    Is the voltage 10 V or more?

    Yes:  Go to  2.

    No:  Repair the following item.

    • Open circuit or short circuit to ground in harness between M/B and intake camshaft position sensor RH connector
    • Poor contact of coupling connector
    • Blown out of fuse
  2. CHECK HARNESS BETWEEN ECM AND INTAKE CAMSHAFT. 

    POSITION SENSOR RH CONNECTOR (OPEN). 

    1. Turn the ignition switch to OFF.
    2. Disconnect the connector from ECM.
    3. Measure the resistance between ECM connector and intake camshaft position sensor RH connector.

      Connector and terminal. 

      (E159) No. 20 - (E36) No. 2:

      (E159) No. 30 - (E36) No. 3:

    Is the resistance less than 1 Ω?

    Yes:  Go to  3.

    No:  Repair the following item.

    • Open circuit in harness between ECM connector and intake camshaft position sensor RH connector
    • Poor contact of J/C
  3. CHECK HARNESS BETWEEN ECM AND INTAKE CAMSHAFT POSITION SENSOR RH CONNECTOR (SHORT TO GROUND). 

    Measure the resistance between intake camshaft position sensor RH connector and engine ground.

    Connector and terminal. 

    (E36) No. 2 - Engine ground:

    Is the resistance 1 MΩ or more?

    Yes:  Go to  4.

    No:  Repair the short circuit to ground in harness between ECM connector and intake camshaft position sensor RH connector.

  4. CHECK HARNESS BETWEEN ECM AND INTAKE CAMSHAFT POSITION SENSOR RH CONNECTOR (SHORT TO POWER SUPPLY). 

    Measure the voltage between intake camshaft position sensor RH connector and engine ground.

    Connector and terminal. 

    (E36) No. 2 (+) - Engine ground (-):

    Is the voltage 5 V or more?

    Yes:  Repair the short circuit to power supply in harness between ECM connector and intake camshaft position sensor RH connector.

    No:  Go to  5.

  5. CHECK INTAKE CAMSHAFT POSITION SENSOR RH STATUS. 

    Check the installation condition of the intake camshaft position sensor RH.

    Is the mounting bolt of the intake camshaft position sensor RH tightened securely?

    Yes:  Go to  6.

    No:  Securely tighten the mounting bolt of the intake camshaft position sensor RH. Ref. to FUEL INJECTION (FUEL SYSTEMS) (H4DOTC)>CAMSHAFT POSITION SENSOR>INSTALLATION .

  6. CHECK INTAKE CAMSHAFT POSITION SENSOR RH. 

    Check the waveform of the intake camshaft position sensor RH. Ref. to ENGINE (DIAGNOSTICS) (H4DOTC)>CONTROL MODULE I/O SIGNAL .

    Is there any abnormality in waveform?

    Yes:  Replace the camshaft position sensor RH. Ref. to FUEL INJECTION (FUEL SYSTEMS) (H4DOTC)>CAMSHAFT POSITION SENSOR .

    No:  Repair the following item.

    • Poor contact of ECM connector
    • Poor contact of intake camshaft position sensor RH connector
    • Poor contact of coupling connector
    • Poor contact of J/C