LEMON Manuals: Even more car manuals for everyone: 1960-2025
Home >> Subaru >> 2019 >> Ascent Touring >> Repair and Diagnosis >> Engine Performance >> System >> Engine Control System (Diagnostics) (2 Of 4) >> Diagnostic Procedure with Diagnostic Trouble Code (DTC) >> DTC P0685: ECM/Pcm Power Relay Control Circuit/Open >> Notes
April 5, 2026: LEMON Manuals is launched! Read the announcement.

DTC P0685: ECM/Pcm Power Relay Control Circuit/Open: Notes

DTC detecting condition: 

Detected when two consecutive driving cycles with fault occur.

CAUTION: Use the check board when measuring the ECM terminal voltage and resistance. Ref. to ENGINE (DIAGNOSTICS) (H4DOTC)>GENERAL DESCRIPTION>PREPARATION TOOL>HOW TO USE CHECK BOARD .
NOTE: After the faulty parts are repaired or replaced, perform the final check in Basic Diagnostic Procedure. Ref. to ENGINE (DIAGNOSTICS) (H4DOTC)>BASIC DIAGNOSTIC PROCEDURE>PROCEDURE .

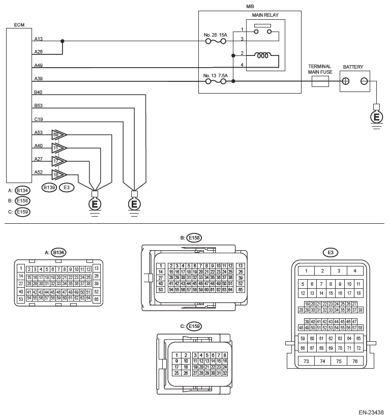
Wiring diagram: 

Engine Electrical System Ref. to WIRING SYSTEM>ENGINE ELECTRICAL SYSTEM .

G13202530Courtesy of SUBARU OF AMERICA, INC.
  1. CHECK ECM CONNECTOR. 

    Check the connecting condition of ECM connector.

    Is the ECM connector correctly connected?

    Yes:  Go to  2.

    No:  Connect the ECM connector correctly.

  2. CHECK HARNESS BETWEEN ECM AND MAIN RELAY (SHORT TO GROUND). 
    1. Turn the ignition switch to OFF.
    2. Remove the main relay.
    3. Disconnect the connector from ECM.
    4. Measure the resistance between the ECM connector and engine ground.

      Connector and terminal. 

      (B134) No. 49 - Engine ground:

    Is the resistance 1 MΩ or more?

    Yes:  Go to  3.

    No:  Repair the short circuit to ground in harness between ECM connector and M/B (main relay).

  3. CHECK HARNESS BETWEEN ECM AND MAIN RELAY (SHORT TO POWER SUPPLY). 
    1. Turn the ignition switch to ON.
    2. Measure the voltage between ECM connector and engine ground.

      Connector and terminal. 

      (B134) No. 13 (+) - Engine ground (-):

      (B134) No. 26 (+) - Engine ground (-):

    Is the voltage 10 V or more?

    Yes:  Repair the following item.

    • Short circuit to power supply in harness between ECM connector and M/B (main relay)
    • Defective main relay

    No:  Repair the poor contact of ECM connector.