LEMON Manuals: Even more car manuals for everyone: 1960-2025
Home >> Subaru >> 2019 >> BRZ Series.Gray >> Repair and Diagnosis >> Steering >> Steering Column >> Steering Lock System >> Circuit Figure
April 5, 2026: LEMON Manuals is launched! Read the announcement.

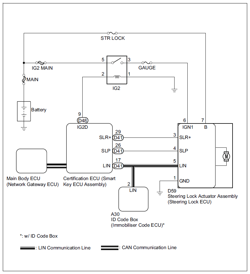
Circuit Figure

G12591255Courtesy of SUBARU OF AMERICA, INC.