LEMON Manuals: Even more car manuals for everyone: 1960-2025
Home >> Subaru >> 2019 >> Outback 2.5i >> Repair and Diagnosis >> Engine Performance >> System >> Engine Control System (2.5L) (Diagnostics) (1 Of 4) >> Diagnostic Procedure with Diagnostic Trouble Code (DTC) >> DTC P0123: Throttle/Pedal Position Sensor/Switch "A" Circuit High >> Notes
April 5, 2026: LEMON Manuals is launched! Read the announcement.

DTC P0123: Throttle/Pedal Position Sensor/Switch "A" Circuit High: Notes

DTC detecting condition: 

Immediately at fault recognition

Trouble symptom: 

CAUTION:

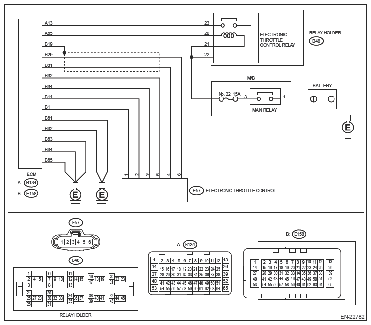
Wiring diagram: 

Engine Electrical System Ref. to WIRING SYSTEM>ENGINE ELECTRICAL SYSTEM>WIRING DIAGRAM .

G13252440Courtesy of SUBARU OF AMERICA, INC.
  1. CHECK HARNESS BETWEEN ECM AND ELECTRONIC THROTTLE CONTROL CONNECTOR  .
    1. Turn the ignition switch to OFF.
    2. Disconnect the connector from ECM.
    3. Disconnect the connectors from electronic throttle control.
    4. Measure the resistance of harness between ECM connector and electronic throttle control connector.

      Connector & terminal 

      (E158) No. 29 - (E57) No. 6:

      (E158) No. 34 - (E57) No. 3:

    Is the resistance less than 1 Ω?

    Yes: Go to  2 .

    No: Repair the open circuit of harness between ECM connector and electronic throttle control connector.

  2. CHECK HARNESS BETWEEN ECM AND ELECTRONIC THROTTLE CONTROL CONNECTOR  .
    1. Connect the connector to ECM.
    2. Measure the resistance between electronic throttle control connector and engine ground.

      Connector & terminal 

      (E57) No. 3 - Engine ground:

    Is the resistance less than 5 Ω?

    Yes: Go to  3 .

    No: Repair the harness and connector.

    NOTE: In this case, repair the following item:
    • Open circuit of harness between ECM connector and engine ground
    • Poor contact of ECM connector
  3. CHECK HARNESS BETWEEN ECM AND ELECTRONIC THROTTLE CONTROL CONNECTOR  .
    1. Turn the ignition switch to ON.
    2. Measure the voltage between electronic throttle control connector and engine ground.

      Connector & terminal 

      (E57) No. 6 (+) - Engine ground (-):

    Is the voltage 5 V or more?

    Yes: Repair the short circuit to power in the harness between ECM connector and electronic throttle control connector.

    No: Go to  4 .

  4. CHECK HARNESS BETWEEN ECM AND ELECTRONIC THROTTLE CONTROL CONNECTOR  .
    1. Turn the ignition switch to OFF.
    2. Disconnect the connector from ECM.
    3. Measure the resistance between ECM connectors.

      Connector & terminal 

      (E158) No. 32 - (E158) No. 29:

    Is the resistance 1 MΩ or more?

    Yes: Repair the poor contact of electronic throttle control connector. Replace the electronic throttle control if defective. Ref. to FUEL INJECTION (FUEL SYSTEMS) (H4DO)>THROTTLE BODY

    No: Repair the short circuit to power in the harness between ECM connector and electronic throttle control connector.