LEMON Manuals: Even more car manuals for everyone: 1960-2025
Home >> Subaru >> 2019 >> Outback 2.5i >> Repair and Diagnosis >> Engine Performance >> System >> Engine Control System (2.5L) (Diagnostics) (4 Of 4) >> Diagnostic Procedure with Diagnostic Trouble Code (DTC) >> DTC U0284: Lost Communication With Active Grille Shutter Module "A" >> Notes
April 5, 2026: LEMON Manuals is launched! Read the announcement.

DTC U0284: Lost Communication With Active Grille Shutter Module "A": Notes

DTC detecting condition: 

Immediately at fault recognition

CAUTION:

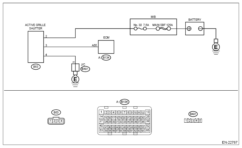
Wiring diagram: 

Active grille shutter Ref. to WIRING SYSTEM>ACTIVE GRILLE SHUTTER .

G12409988Courtesy of SUBARU OF AMERICA, INC.
  1. CHECK DTC  .

    Read the engine DTC using the Subaru Select Monitor or general scan tool. Ref. to ENGINE (DIAGNOSTICS) (H4DO)>READ DIAGNOSTIC TROUBLE CODE (DTC) .

    Is DTC U0284 displayed? (Current malfunction)

    Yes: Go to  2 .

    No: The circuit has returned to a normal condition at this time. Reproduce the failure, and then perform the diagnosis again.

    NOTE: In this case, temporary poor contact of connector, temporary open or short circuit of harness may be the cause.
  2. CHECK DTC  .

    Read the engine DTC using the Subaru Select Monitor or general scan tool. Ref. to ENGINE (DIAGNOSTICS) (H4DO)>READ DIAGNOSTIC TROUBLE CODE (DTC) .

    Is other than DTC U0284 displayed? (Current malfunction)

    Yes: Check the appropriate DTC using the "List of Diagnostic Trouble Code (DTC)". Ref. to ENGINE (DIAGNOSTICS) (H4DO)>LIST OF DIAGNOSTIC TROUBLE CODE (DTC) .

    No: Go to  3 .

  3. CHECK HARNESS BETWEEN ECM AND ACTIVE GRILLE SHUTTER CONNECTOR  .
    1. Turn the ignition switch to OFF.
    2. Disconnect the battery.
    3. Disconnect the connector from ECM.
    4. Disconnect the connector from the active grille shutter.
    5. Measure the resistance between active grille shutter connector and chassis ground.

      Connector & terminal 

      (B63) No. 3 - Chassis ground:

    Is the resistance 1 MΩ or more?

    Yes: Go to  4 .

    No: Repair the short circuit to ground in harness between ECM and active grille shutter connector.

  4. CHECK HARNESS BETWEEN ECM AND ACTIVE GRILLE SHUTTER CONNECTOR  .

    Measure the resistance of harness between ECM and active grille shutter connector.

    Connector & terminal 

    (B134) No. 55 - (B63) No. 3:

    Is the resistance less than 10 Ω?

    Yes: Go to  5 .

    No: Repair the harness and connector.

    NOTE: In this case, repair the following item:
    • Open circuit of harness between ECM and active grille shutter connector
    • Poor contact of coupling connector
  5. CHECK ACTIVE GRILLE SHUTTER POWER SUPPLY  .
    1. Connect the battery.
    2. Measure the voltage between active grille shutter connector and chassis ground.

      Connector & terminal 

      (B63) No. 2 (+) - Chassis ground (-):

    Is the voltage 9 V or more?

    Yes: Go to  6 .

    No: Repair the power supply circuit.

  6. CHECK HARNESS BETWEEN ACTIVE GRILLE SHUTTER CONNECTOR AND CHASSIS GROUND  .

    Measure the resistance of harness between active grille shutter connector and chassis ground.

    Connector & terminal 

    (B63) No. 4 - Chassis ground:

    Is the resistance less than 10 Ω?

    Yes: Replace the active grille shutter.

    No: Repair the harness and connector.

    NOTE: In this case, repair the following item:
    • Open circuit of harness between active grille shutter connector and chassis ground
    • Poor contact of coupling connector