LEMON Manuals: Even more car manuals for everyone: 1960-2025
Home >> Subaru >> 2019 >> Outback 2.5i >> Repair and Diagnosis >> Transmission >> Automatic Trans >> Continuously Variable Transmission (Diagnostics) >> Diagnostic Procedure With Diagnostic Trouble Code (DTC) >> DTC P0720: Output Shaft Speed Sensor Circuit >> Notes
April 5, 2026: LEMON Manuals is launched! Read the announcement.

DTC P0720: Output Shaft Speed Sensor Circuit: Notes

DTC detecting condition: 

Immediately at fault recognition

Trouble symptom: 

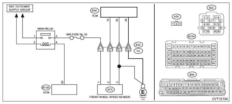
Wiring diagram: 

CVT control system Ref. to WIRING SYSTEM>CVT CONTROL SYSTEM>WIRING DIAGRAM>ENGINE TYPE EZ .

G10314039Courtesy of SUBARU OF AMERICA, INC.
  1. CHECK FUSE  .
    1. Turn the ignition switch to OFF.
    2. Check the M/B fuse No. 26.

    Is the check result OK?

    Yes: Go to  2 .

    No: Replace the fuse. If the fuse blows out easily, repair the short circuit of harness.

  2. CHECK ECM CONNECTOR  .

    Check the connecting condition of ECM connector.

    Is the ECM connector correctly connected?

    Yes: Go to  3 .

    No: Connect the ECM connector correctly.

  3. CHECK HARNESS BETWEEN TRANSMISSION CONNECTOR AND MAIN RELAY CONNECTOR  .
    1. Turn the ignition switch to OFF.
    2. Measure the voltage between transmission connector and engine ground.

      Connector & terminal 

      (B22) No. 7 (+) - Engine ground (-):

    Is the voltage 10 V or more?

    Yes: Repair the harness and connector.

    NOTE: In this case, repair the following item:
    • Short circuit to power supply of harness between transmission connector and main relay connector
    • Defective main relay

    No: Go to  4 .

  4. CHECK HARNESS BETWEEN ECM AND MAIN RELAY CONNECTOR  .
    1. Turn the ignition switch to OFF.
    2. Remove the main relay.
    3. Disconnect the ECM connector.
    4. Measure the resistance between the ECM connector and engine ground.

      Connector & terminal 

      (B134) No. 60 - Engine ground:

    Is the resistance 1 MΩ or more?

    Yes: Go to  5 .

    No: Repair the short circuit to ground in harness between ECM connector and main relay connector.

  5. CHECK HARNESS  .
    1. Turn the ignition switch to OFF.
    2. Disconnect the TCM connector.
    3. Disconnect the transmission connector.
    4. Measure the resistance between TCM connector and transmission connectors.

      Connector & terminal 

      (B54) No. 12 - (B22) No. 12:

      (B54) No. 26 - (B22) No. 20:

      (B54) No. 42 - (B22) No. 13:

    Is the resistance less than 1 Ω?

    Yes: Go to  6 .

    No: Repair the open circuit of harness.

  6. CHECK HARNESS  .

    Measure the resistance between TCM connector and chassis ground.

    Connector & terminal 

    (B54) No. 12 - Chassis ground:

    Is the resistance 1 MΩ or more?

    Yes: Go to  7 .

    No: Repair the short circuit of harness.

  7. CHECK TRANSMISSION HARNESS  .
    1. Install the fuse.
    2. Connect the TCM connector.
    3. Turn the ignition switch to ON.
    4. Measure the voltage between transmission connector terminals.

      Connector & terminal 

      (B22) No. 7 (+) - Chassis ground (-):

    Is the voltage approx. 10 - 13 V?

    Yes: Go to  8 .

    No: Repair the poor contact of harness or connector.

  8. CHECK INPUT SIGNAL FOR TCM  .
    1. Turn the ignition switch to OFF.
    2. Connect all connectors.
    3. Lift up the vehicle.
    4. Start the engine.
    5. Slowly increase the speed to 30 km/h (19 MPH).
    6. Read the data of «Front Wheel Speed» using Subaru Select Monitor.

    Does the value of «Front Wheel Speed» change according to the engine speed?

    Yes: Current condition is normal. Repair the poor contacts of harnesses of front wheel speed sensor and transmission connector.

    No: Go to  9 .

  9. CHECK TRANSMISSION HARNESS  .
    1. Turn the ignition switch to OFF.
    2. Disconnect the transmission connector.
    3. Disconnect the front wheel speed sensor connector.
    4. Measure the resistance between transmission connector and front wheel speed sensor connector.

      Connector & terminal 

      (T4) No. 7 - (AT5) No. 1:

      (T4) No. 12 - (AT5) No. 2:

      (T4) No. 13 - (AT5) No. 3:

      (T4) No. 20 - (AT5) No. 3:

    Is the resistance less than 1 Ω?

    Yes: Go to  10 .

    No: Replace the transmission harness.

  10. CHECK FRONT WHEEL SPEED SENSOR  .
    1. Turn the ignition switch to OFF.
    2. Replace the front wheel speed sensor. Ref. to CONTINUOUSLY VARIABLE TRANSMISSION (TR690)>FRONT WHEEL SPEED SENSOR .
    3. Perform the Clear Memory Mode. Ref. to CONTINUOUSLY VARIABLE TRANSMISSION (DIAGNOSTICS)>Clear Memory Mode .
    4. Read the DTC.

    Is DTC P0720 displayed?

    Yes: Go to  11 .

    No: The original front wheel speed sensor is defective.

  11. CHECK MAIN RELAY  .
    1. Turn the ignition switch to OFF.
    2. Replace the main relay.
    3. Perform the Clear Memory Mode. Ref. to CONTINUOUSLY VARIABLE TRANSMISSION (DIAGNOSTICS)>Clear Memory Mode .
    4. Read the DTC.

    Is DTC P0720 displayed?

    Yes: Replace the TCM. Ref. to CONTINUOUSLY VARIABLE TRANSMISSION (TR690)>TRANSMISSION CONTROL MODULE (TCM) .

    No: The original main relay is defective.