LEMON Manuals: Even more car manuals for everyone: 1960-2025
Home >> Subaru >> 2019 >> Outback 3.6R Limited >> Repair and Diagnosis (Single Page) >> Engine Performance >> System >> Engine Control System (3.6L) (Diagnostics) (1 Of 4) >> Diagnostic Procedure with Diagnostic Trouble Code (DTC) >> DTC P0154: A/F/O2 Sensor Circuit No Activity Detected Bank 2 Sensor 1 >> Notes
April 5, 2026: LEMON Manuals is launched! Read the announcement.

DTC P0154: A/F/O2 Sensor Circuit No Activity Detected Bank 2 Sensor 1: Notes

DTC detecting condition: 

Immediately at fault recognition

CAUTION:

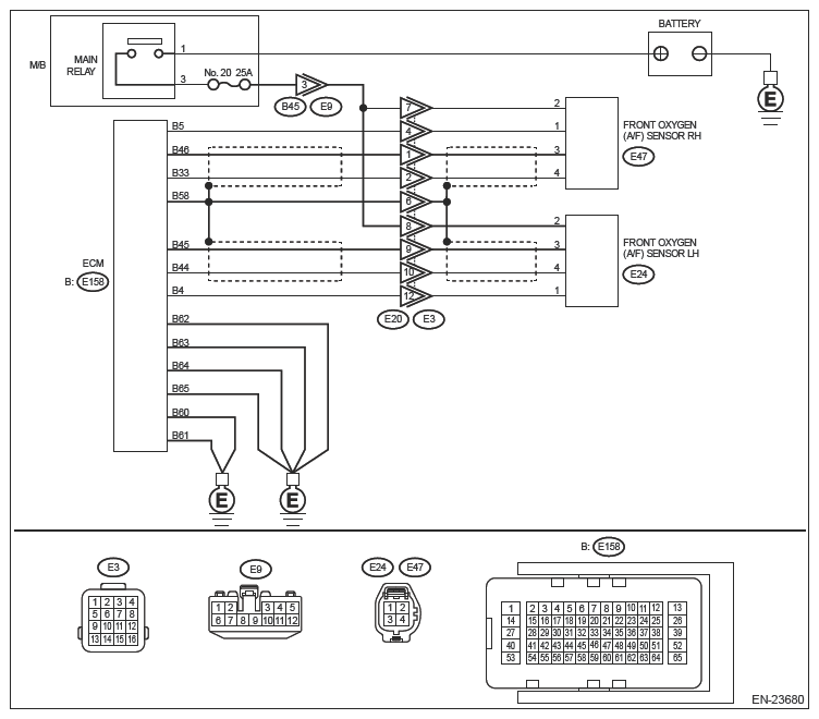
Wiring diagram: 

Engine Electrical System Ref. to WIRING SYSTEM>ENGINE ELECTRICAL SYSTEM>WIRING DIAGRAM .

G13252750Courtesy of SUBARU OF AMERICA, INC.
  1. CHECK HARNESS BETWEEN ECM AND FRONT OXYGEN (A/F) SENSOR CONNECTOR.
    1. Turn the ignition switch to OFF.
    2. Disconnect the connector from ECM.
    3. Disconnect the connectors from front oxygen (A/F) sensor.
    4. Measure the resistance of harness between ECM connector and front oxygen (A/F) sensor connector.

    Connector & terminal

    (E158) No. 45 - (E24) No. 3:

    (E158) No. 44 - (E24) No. 4:

    Is the resistance less than 1 Ω?

    Yes Go to  2 .

    No Repair the harness and connector.

    NOTE: In this case, repair the following item:
    • Open circuit in harness between ECM connector and front oxygen (A/F) sensor connector
    • Poor contact of coupling connector
  2. CHECK FOR POOR CONTACT.

Check for poor contact of ECM and front oxygen (A/F) sensor connector.

Is there poor contact of ECM or front oxygen (A/F) sensor connector?

Yes Repair the poor contact of ECM or front oxygen (A/F) sensor connector.

No Replace the front oxygen (A/F) sensor. Ref. to FUEL INJECTION (FUEL SYSTEMS) (H6DO)>FRONT OXYGEN (A/F) SENSOR .